christine_208
January 30, 2019
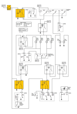
A possible way to keep the DRL and headlights off. I have not tried this yet.
More About This Picture
Vehicle
N/A
Location
N/A
Keywords
N/A
Discover More Pictures
See MoreAdvertisement






































































































Be the first to comment on this picture!