Log In
Forums
Announcements
Forum Notice
New Member Area
General
General Chat
The Lounge
Builds
Off Roading
Sights N Sounds
Street N Strip
The Chop Shop
Shows & Clubs
Mechanical & Maintenance
General Tech Help
Engine & Transmission
Lighting & Electrical
Steering, Suspension & Drivetrain
Modifications
Performance & Brainstorming
Tires and Wheels
Audio/Video Electronics
Paint, Body, & Interior
Suspension Tech
Detailing
Chevy Blazer Classifieds
Member Group And Special Buys
Absolutely Free!!!
PRIVATE For Sale / Trade Classifieds
Private 'Wanted' Classifieds
Online Auctions & Listings
The Site
Website Problems and Suggestions
Gallery
Tools
Car Payment Calculator
Tire Rim Calculator
Vin Decoder
Live Feed
Marketplace
Vendor Directory
Become a Vendor
New Posts
Log In
Google
Google
Threads
Posts
Advanced
Log In
Forgot your Password?
By logging into your account, you agree to our
Terms of Use
and
Privacy Policy
, and to the use of cookies as described therein.
or
Login with Facebook
Recent
Commented
Albums
My Pictures
Flag as Inappropriate
Please enter a short description of why you think this image is inappropriate
Send
×
Vote
Share
BBCode for forum sharing:
Copy
Enlarge
|
Flag Picture
Thanks for your help!
LannyL81
November 12, 2017
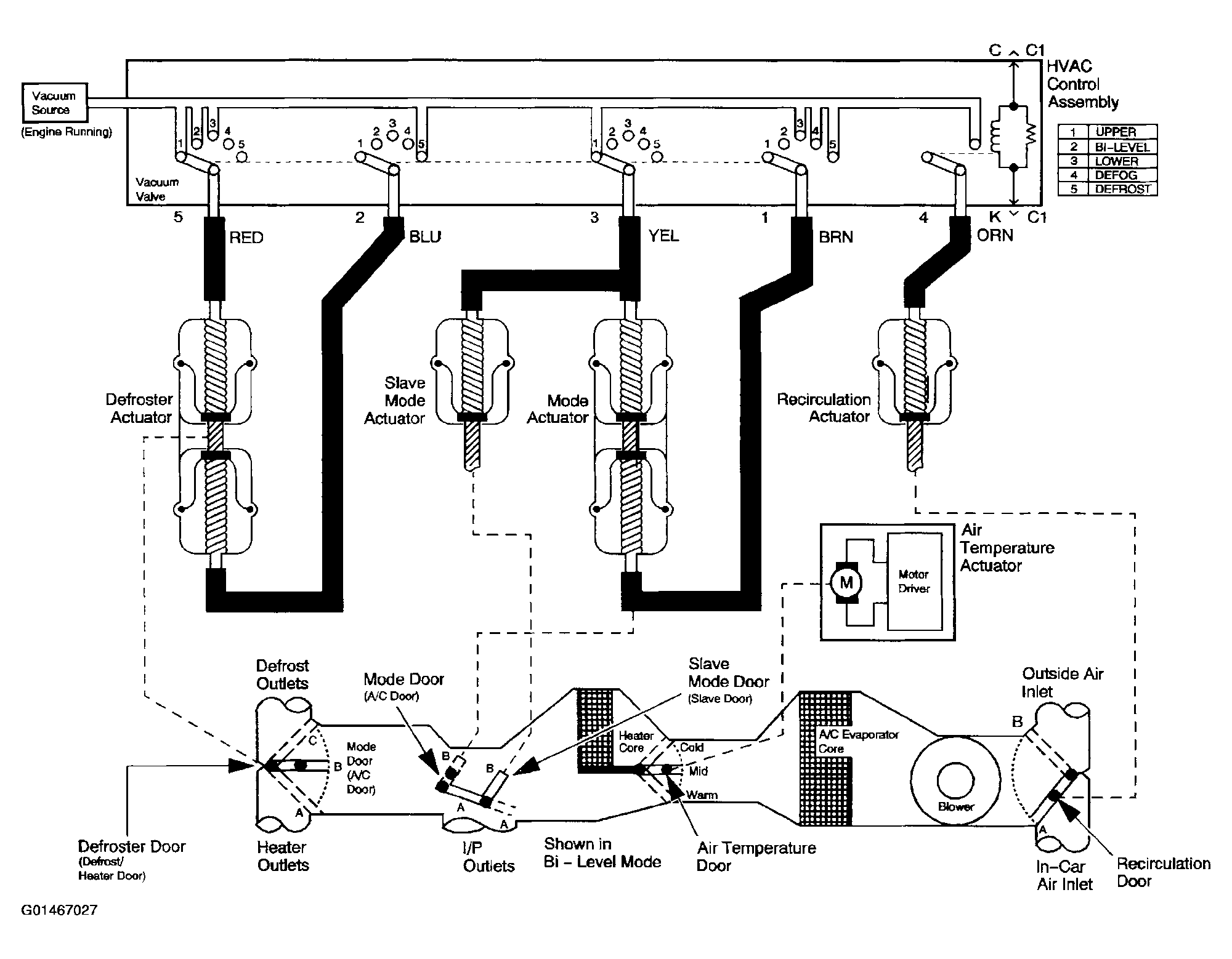
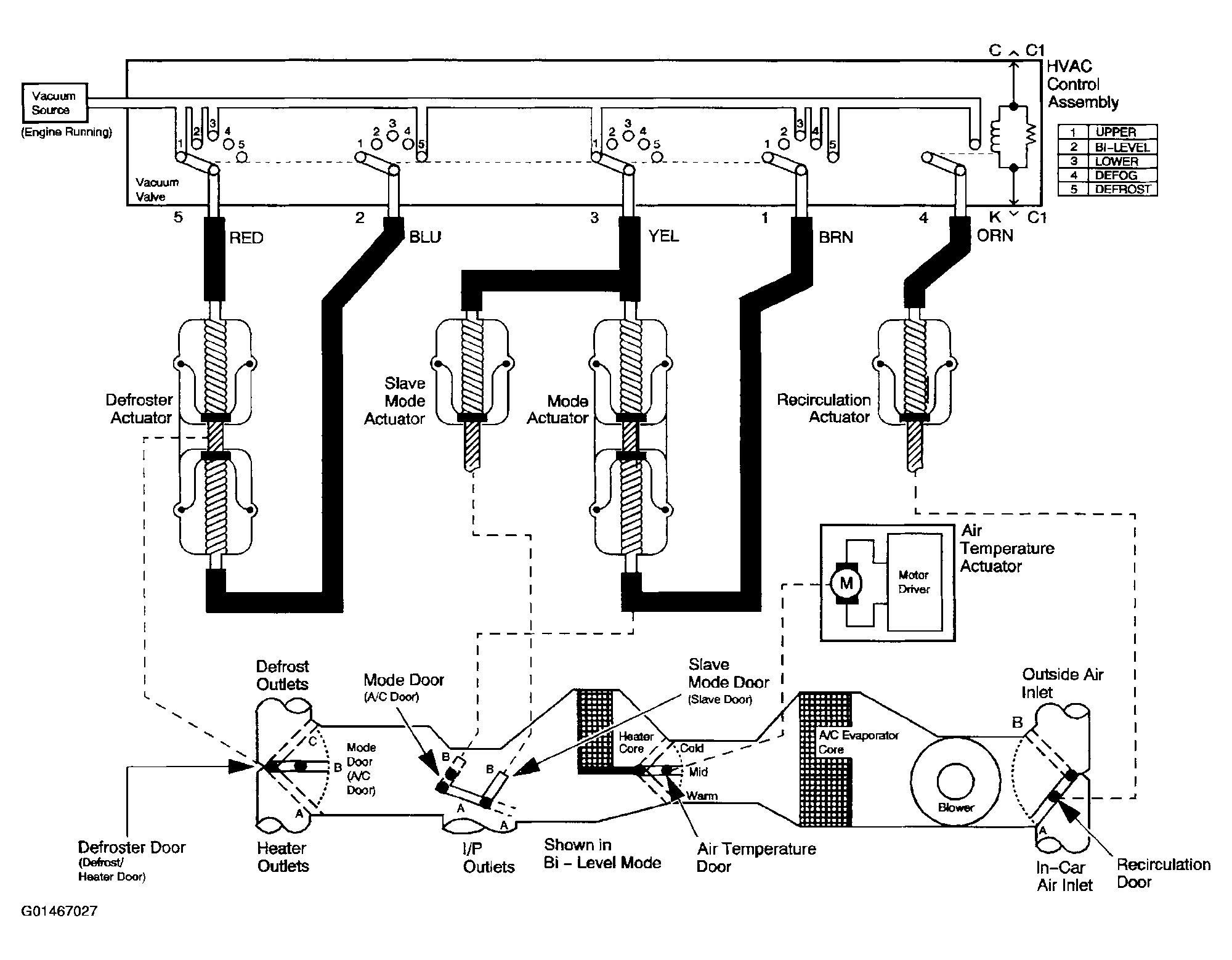
'03 HVAC schematic
More About This Picture
Vehicle
N/A
Location
N/A
Keywords
N/A
Discover More Pictures
See More
Advertisement
Comments (0)
Please
Register
or
log in
to leave a comment.
Be the first to comment on this picture!
© 2021 MH Sub I, LLC dba Internet Brands
Be the first to comment on this picture!