2nd Generation S-series (1995-2005) Tech Discuss 2nd generation S-series (1995-2005) general tech topics here.

Blazer dies after driving a few miles

Thread Tools
 
Search this Thread
 
Old Aug 7, 2021 | 07:46 PM
  #1  
OcelotZ3's Avatar
Thread Starter
|
Beginning Member
Joined: Apr 2012
Posts: 12
OcelotZ3 is on a distinguished road
Default Blazer dies after driving a few miles

Hi All,

This has been a very frustrating problem. 1995 Blazer (bought brand new late 1994). Engine replaced 70k miles ago, transmission replaced maybe 40k miles ago. It has been dead reliable for our ownership except for the last 10 months.

First problem was it flat out died after driving 70 miles, at 60mph on a mountain pass, then wouldn't restart. When I say it doesn't restart, I mean that it cranks just fine but never catches. After sitting 20 minutes with the hood up, it restarted and I drove another 70 miles and back 140 miles the next day like nothing happened.

A few weeks later, same thing, it died after about 64 miles, at 60mph on a mountain pass. This time I couldn't get it to keep running. Had it towed home, started when it got off the tow truck. Took it in to a mechanic, and they couldn't find anything. No codes.

We have been driving it on and off for shorter distances, and some longer, depending on if the problem seems to have gone away or not. About 9 months before the problems started I had replaced the cam position sensor (threw a code so I knew it was bad), and did the rotor and dist. cap at the same time since I was in there. After experiencing the dying problem, I replaced the ignitor and coil (mine are outside the distributor) based on some recommendations, no improvement. Early on it seemed to be fuel related, and our mechanic thought so too. He replaced the fuel pump and filter to no avail... I've since replaced the injector spider and found a frayed wire to the injector inside the plenum, right near where it goes into the plenum, but that wasn't it. I've cleaned up some grounds and those weren't it either. Lately, it's failing after just a few miles of driving, and it's clearly ignition or electrical in nature. No high voltage at the coil or plugs. A few days ago, I let it idle for 5 minutes at 9am and it died, and wouldn't restart all day, even at 11:30pm. It started fine the next morning and I couldn't get it to fail.

I replaced the ECM today with a used one and it started and ran fine yet died after driving a mile yet again. I checked ECM power at and through the fuse and it looked fine with key on and also while cranking, but it still wouldn't start and there was no spark at the coil.

I am completely stumped as to what is going on here. We've had to tow the car many times as sometimes it seems to be working fine so we drive it longer distances, only to have it completely die at any instant.

It seems to me that it might be a wire or connection somewhere, but to be so consistent seems very strange.

I have a new rotor and cap on hand but that wouldn't seem to fix the issue where the coil wasn't generating a high voltage... I see that at the distributor, there is a connection for the CPS, but there is also a connection lower down for something. I haven't done a lot of searching, but I haven't figured out what that is for. I disconnected that to see if I could get the car restarted in limp mode but that didn't seem to help either.

Any thoughts on where to look next?
 
Old Aug 7, 2021 | 09:34 PM
  #2  
GeorgeLG's Avatar
BF Veteran
Joined: Jan 2007
Posts: 4,631
From: Florida
GeorgeLG will become famous soon enoughGeorgeLG will become famous soon enough
Default

I see that you have confirmed no spark at the coil.

To confirm, no codes?

Has the system voltage every looked wonky or has any other component stopped working during a no start?

Have you had any security light issues?

The first thing to check when this happens is the power and grounds to the ICM and coil. Then if those are good to check for the timing signals into and out of the icm.

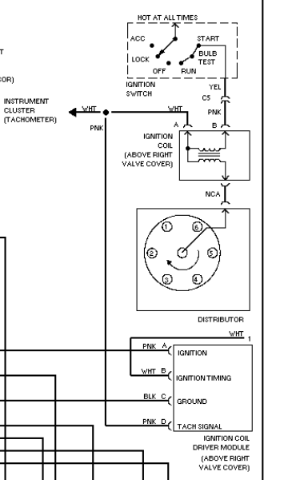
So you have the "W" engine code with the separate external "Ignition Coil Driver Module" above the right valve cover?


George
 

Last edited by GeorgeLG; Aug 7, 2021 at 10:38 PM.
Old Aug 7, 2021 | 10:37 PM
  #3  
OcelotZ3's Avatar
Thread Starter
|
Beginning Member
Joined: Apr 2012
Posts: 12
OcelotZ3 is on a distinguished road
Default

Originally Posted by GeorgeLG
I see that you have confirmed no spark at the coil.

To confirm, no codes?

Has the system voltage every looked wonky or has any other component stopped working during a no start?

Have you had any security light issues?

The first thing to check when this happens is the power and grounds to the ICM and coil. Then if those are good to check for the timing signals into and out of the icm.


George
No codes ever in the last 9 months of attempted debug.

When the car dies, the engine just stops. Day or night, lights on or off, etc. Nothing else seems wonky or wrong; just the engine stops.

Not sure what you mean by security light issues. Our Blazer has a security system installed by the dealer (GM marked, however). It's only security function is to disable the starter. That's it, except for the siren. Verified by reading both the installation and instruction manuals, and looking at the wiring diagram.

I'll check the ground at the ICM and coil. I cleaned those up really well when installing the replacements, with no improvement. It's mounted to the plenum with star washers and I used a wire brush to freshen up the metal bits. Old one had rivets holding stuff together and now I have bolts (part of the replacement kit). I would have expected a slight change in behavior after I replaced both if it was something like a ground to them, but it was like I did nothing.

But perhaps you mean grounds and power in the connectors... Power to the ICM looked good today, dropped by a bit when cranking but still around 11V. Cranking is very strong.
 

Last edited by OcelotZ3; Aug 7, 2021 at 10:41 PM.
Old Aug 7, 2021 | 10:41 PM
  #4  
GeorgeLG's Avatar
BF Veteran
Joined: Jan 2007
Posts: 4,631
From: Florida
GeorgeLG will become famous soon enoughGeorgeLG will become famous soon enough
Default

I am just now seeing all the different ignition configurations for the 95. So you have the "W" engine code with the "Ignition Coil Driver Module" above the right valve cover?

George
 
Old Aug 7, 2021 | 10:49 PM
  #5  
OcelotZ3's Avatar
Thread Starter
|
Beginning Member
Joined: Apr 2012
Posts: 12
OcelotZ3 is on a distinguished road
Default

Yes, mine sits on the side of the intake plenum. At least it's handy!

I just remembered that today, while cranking, I noticed that the oil pressure gauge pegged to the right... All other gauges looked fine when turning the key off, except that one. That was a surprise and behavior I hadn't noticed before, but perhaps did happen.
 
Old Aug 7, 2021 | 10:55 PM
  #6  
GeorgeLG's Avatar
BF Veteran
Joined: Jan 2007
Posts: 4,631
From: Florida
GeorgeLG will become famous soon enoughGeorgeLG will become famous soon enough
Default

OK so there are 4 engine configurations for the '95, 2 "W" and 2 "Z" engine codes. You have the "w" engine code with VCM (not PCM) and the ignition module external to the distributor not the version with a pickup coil in the distributor assembly?

Assuming I have that right then we need to check the powers, the grounds and the ignition signal pules to the ignition module. When you confirm I'll give you the wire colors and sequence to test.

George
 
Old Aug 7, 2021 | 11:10 PM
  #7  
OcelotZ3's Avatar
Thread Starter
|
Beginning Member
Joined: Apr 2012
Posts: 12
OcelotZ3 is on a distinguished road
Default

That second connection I was asking about on the distributor must be a pickup coil inside the distributor?

Also, I think I might be getting confused by some of the module names. Looking at a wiring diagram, I see an ICM and PCM. What I replaced, along with the coil, was an item mounted on a heat sink. I guess that's the PCM? I'll have to see where the ICM is located.
 
Old Aug 7, 2021 | 11:20 PM
  #8  
OcelotZ3's Avatar
Thread Starter
|
Beginning Member
Joined: Apr 2012
Posts: 12
OcelotZ3 is on a distinguished road
Default

Originally Posted by GeorgeLG
OK so there are 4 engine configurations for the '95, 2 "W" and 2 "Z" engine codes. You have the "w" engine code with VCM (not PCM) and the ignition module external to the distributor not the version with a pickup coil in the distributor assembly?

Assuming I have that right then we need to check the powers, the grounds and the ignition signal pules to the ignition module. When you confirm I'll give you the wire colors and sequence to test.

George
I'm pretty sure it's the W engine code. It died on me today on a test run so is not here to look at.

The distributor I have has a connector going to the crankshaft position sensor. Lower down on the side of the distributor closest to the firewall (unsure if it's actually part of the distributor itself), there is a plug for something.

On the passenger side of the engine, on top, is an assembly with a coil that has a hv plug wire that connects to the distributor and also has a connector, and there is a small package on a heat sink that connects to a 4 wire plug.
 
Old Aug 7, 2021 | 11:21 PM
  #9  
GeorgeLG's Avatar
BF Veteran
Joined: Jan 2007
Posts: 4,631
From: Florida
GeorgeLG will become famous soon enoughGeorgeLG will become famous soon enough
Default

There are 2 different engine codes (8th position of the VIN), "w" and "z". Which one do you have?

Then there are 2 different types of engine computers on the '95, a VCM or a PCM.

Then with the "w" engine code there are two different ignition configurations, one with a separate ignition module and one with an integrated setup in the distr module, which one do you have if "w" engine code?:






George
 
Old Aug 7, 2021 | 11:25 PM
  #10  
OcelotZ3's Avatar
Thread Starter
|
Beginning Member
Joined: Apr 2012
Posts: 12
OcelotZ3 is on a distinguished road
Default

Found the vin, it's a W engine.

The distributor doesn't have those other ignition items in it, they are external. There might be some kind of pickup coil inside though, which might be the connector I was inquiring about.
 

Last edited by OcelotZ3; Aug 7, 2021 at 11:30 PM.



All times are GMT -5. The time now is 02:44 PM.