A/C Switch problem, or more?
Got a 97 Blazer LS 2WD.
Had to recharge the r-134a at the start of the summer, A/C worked fine for a few weeks. The last couple of week, the compressor never kicks on. I dig some checking and playing, and noticed that no matter where I turn the selector ****, 95% of the time, air is only blowing through the dashboard defrost vent. It will not switch to dash, floor, or any combo of those, at any selector position.
Checked the pressure from where dad recharged it early this season, and it was at a whopping 120 LBS on the low-side port, it has since been reduced to 60lbs.
All fuses are good, every single one has been pulled and checked. I have not pulled the selector switch to check for burnt/disconnected wiring yet.
Does this sound like just a selector switch problem? Did the compressor clutch get burnt up/ruined by too much pressure? Is there something else I might be overlooking?
Currently unemployed, lots of job searching, and it's 90+ degrees here, hate going into interviews dripping wet...
HELP!
Had to recharge the r-134a at the start of the summer, A/C worked fine for a few weeks. The last couple of week, the compressor never kicks on. I dig some checking and playing, and noticed that no matter where I turn the selector ****, 95% of the time, air is only blowing through the dashboard defrost vent. It will not switch to dash, floor, or any combo of those, at any selector position.
Checked the pressure from where dad recharged it early this season, and it was at a whopping 120 LBS on the low-side port, it has since been reduced to 60lbs.
All fuses are good, every single one has been pulled and checked. I have not pulled the selector switch to check for burnt/disconnected wiring yet.
Does this sound like just a selector switch problem? Did the compressor clutch get burnt up/ruined by too much pressure? Is there something else I might be overlooking?
Currently unemployed, lots of job searching, and it's 90+ degrees here, hate going into interviews dripping wet...
HELP!
Ok, just ordered and received another climate control panel from eBay, got it in this morning, no change. Is there a solenoid somewhere that controls the flapper/airflow that I should look for?
Still no matter where I turn the ****, all air comes through the defroster dash vents...
A/C is not cold, but heat it HOT, so I might also have a refrigerant issue, but that shouldn't affect which vents the air comes from...
What else should I be looking for? I really don't have the money to take it to a shop (wanted almost $100 just for diagnosis) nor do I have money to keep replacing random parts...
Still no matter where I turn the ****, all air comes through the defroster dash vents...
A/C is not cold, but heat it HOT, so I might also have a refrigerant issue, but that shouldn't affect which vents the air comes from...
What else should I be looking for? I really don't have the money to take it to a shop (wanted almost $100 just for diagnosis) nor do I have money to keep replacing random parts...
It's controlled by a vacuum actuator. You probably have a vacuum leak somewhere. It may be as simple as a disconnected vacuum line at like the brake booster or PCV... Good luck.
Best advice is take it to a shop for a smoke test. Should be like an hour of labor.
Shade-tree is to use a hose on an unlit propane torch over the vacuum lines. First release some propane into the airbox so you know what the engine will sound like when it gets the extra fuel, then run the hose over all your vacuum connectors and hoses and wait for the engine to idle differently. It's a very subtle change, but you can hear it (especially in the exhaust).
As for A/C not being cold, you need to know if the compressor is running or not. If it won't engage I'd guess you have too much or too little freon in the system and one of the pressure cutoffs is tripped.
Other than that, maybe you have a leak somewhere? Use a blacklight to look for dye around all the system components. A common place leaks develop is on the receiver/drier low pressure schraeder valve. You'd see dye bubbling out slowly after charging.
Best advice is take it to a shop for a smoke test. Should be like an hour of labor.
Shade-tree is to use a hose on an unlit propane torch over the vacuum lines. First release some propane into the airbox so you know what the engine will sound like when it gets the extra fuel, then run the hose over all your vacuum connectors and hoses and wait for the engine to idle differently. It's a very subtle change, but you can hear it (especially in the exhaust).
As for A/C not being cold, you need to know if the compressor is running or not. If it won't engage I'd guess you have too much or too little freon in the system and one of the pressure cutoffs is tripped.
Other than that, maybe you have a leak somewhere? Use a blacklight to look for dye around all the system components. A common place leaks develop is on the receiver/drier low pressure schraeder valve. You'd see dye bubbling out slowly after charging.
Last edited by helo; Aug 15, 2010 at 01:47 PM.
Found the switch, jumped the switch, no A/C clutch still...
Checked the pressure with engine running (but clutch/compressor NOT running) and showed about 45 psi in the LP side...
With the compressor not running, is that way too low?
When I jumped the switch contacts, the idle picked up, maybe 200-300 rpm (not a lot but noticable) but the clutch never engaged... Should I add a small can (r-134a) and see if the clutch comes on then?
I've read around 60-65 psi on the low pressure side, but not sure about the relationship between the pressure reading with the compressor off vs. compressor on... (I'm assuming it will read higher with compressor on due to compression?)
Still stumped...
Also, didn't see anyone mention where the high pressure cut-off switch was located, so I can jump that one and check it too...
Checked the pressure with engine running (but clutch/compressor NOT running) and showed about 45 psi in the LP side...
With the compressor not running, is that way too low?
When I jumped the switch contacts, the idle picked up, maybe 200-300 rpm (not a lot but noticable) but the clutch never engaged... Should I add a small can (r-134a) and see if the clutch comes on then?
I've read around 60-65 psi on the low pressure side, but not sure about the relationship between the pressure reading with the compressor off vs. compressor on... (I'm assuming it will read higher with compressor on due to compression?)
Still stumped...
Also, didn't see anyone mention where the high pressure cut-off switch was located, so I can jump that one and check it too...
Last edited by DarkRose; Aug 15, 2010 at 07:50 PM. Reason: Additional question...
Well, if the fuse is in the panel with the rest of them on the side of the dsah, it's good, I've checked all of them one by one to make sure.
Where's the relay? I saw someone mention a relay on the firewall?
I can turn the clutch by hand, so it's not locked up, so looks like the relay is my next trouble spot... How do you check it? Or does it need to be taken off and taken in somewhere to be checked?
Where's the relay? I saw someone mention a relay on the firewall?
I can turn the clutch by hand, so it's not locked up, so looks like the relay is my next trouble spot... How do you check it? Or does it need to be taken off and taken in somewhere to be checked?
Yeah, sorry. I've got the vent flap problem sorted (it was a rotted vaccum line under the hood) and have jumped over to another thread to continue diagnosis...
https://blazerforum.com/forum/showth...d=1#post354638
Thanks for the help in this one though!
https://blazerforum.com/forum/showth...d=1#post354638
Thanks for the help in this one though!
I pulled this all back into your original thread instead of off in someone else's. The relay is one of the ones on the firewall. Off the top of my head, I cannot recall which one is for the a/c clutch, but I know the information is out there. If you were to switch them around, I am sure that you can test them.
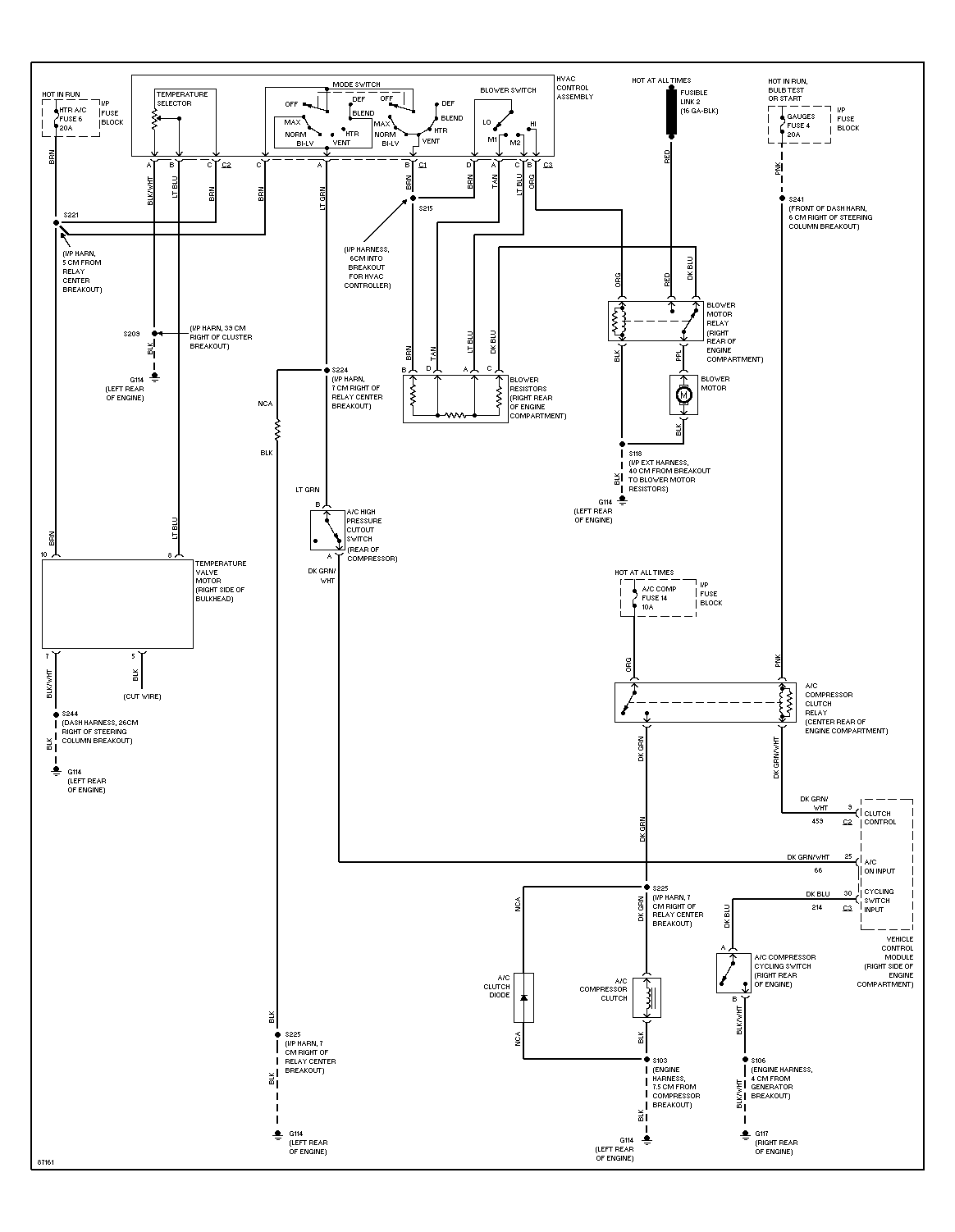
Well, got the schematic printed, I'll just look for the correct wire coloring I guess... Center rear of the engine compartment, yay, tons of room back there <sarcasm present...> I hate losing A/C at the hottest part of the year...
At least if it's bad it's only a $14 part at the local Autozone... Looks like more stuff to check as soon as the kid wakes up, heh...
At least if it's bad it's only a $14 part at the local Autozone... Looks like more stuff to check as soon as the kid wakes up, heh...
Guys, thanks so much for all the help. Did a little digging in the engine bay today and found the clutch relay, nothing melted or burnt or anything...
Went to the old standby, smacked it lightly with a small wrench.
Clutch engaged, new relay ordered, coolant checked way low with the compressor on (45-50 pounds with compressor off, almost 0 with clutch engaged), added R-134a, got 50 degree air at the moment!
You guys are lifesavers!
Went to the old standby, smacked it lightly with a small wrench.
Clutch engaged, new relay ordered, coolant checked way low with the compressor on (45-50 pounds with compressor off, almost 0 with clutch engaged), added R-134a, got 50 degree air at the moment!
You guys are lifesavers!




