Heater problems
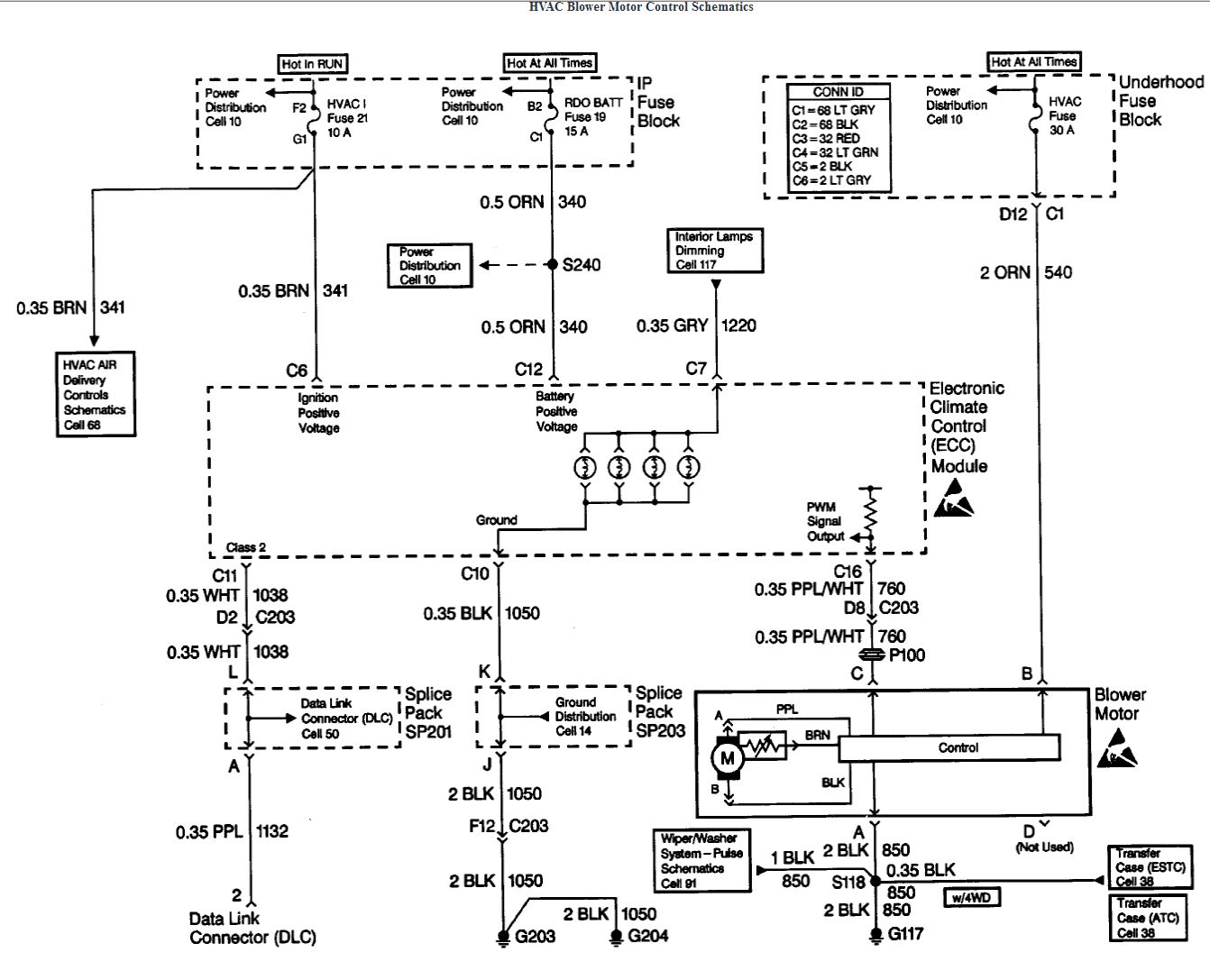
Blower won't work at all. Unplugged plug to blower and applied direct power. Blower runs strong. Removed control cluster from dash and replaced with another cluster obtained from junk yard. Ran normal for about 2 weeks and quit. Replaced resistor, still nothing. Took it in for an unrelated repair at repair shop and had them look at it. They said it could be blower motor regulator and it was 490.00 for part alone. Having trouble finding anything about this part, as to location and removal and replace. Not in Chilton or Haynes. I have a problem spending this much on part if problem doesn't resolve the problem . I need any info that will help resolve this situation. What is blower motor regulator and where is it located at???? If I find out where it is will replace with one from wrecking yard. Is this the problem???. Also replaced the relay 2 yrs ago.Replaced blower motor at that time also.
As already stated in post I have already replaced the resistor. It was regulator I was told to replace. Looked it up and it is different than resistor. It looks like a black plastic box with a number of wires coming from it.
Last edited by potnick; Jan 26, 2012 at 03:51 PM.

Note the dash ACC moule sends a signal down ppl white to the speed control.
You can put a DVM on that set to DC volts and see volts variation according to changing the ****, then the dash control works.
That 'resistor' on brn wire between the actual speed control and blower motor, I cant explain.
Thread
Thread Starter
Forum
Replies
Last Post
upblazer95
2nd Generation S-series (1995-2005) Tech
3
Apr 4, 2009 08:27 PM
dawne fischer
2nd Generation S-series (1995-2005) Tech
1
Dec 21, 2004 12:16 AM




