Rear Washer Pump and Right Flash Issues
#1
Hey all. I have a 2001 GMC Jimmy, and the issues that I am having are as follows:
- For some reason out of nowhere, my rear washer pump would not stop running and drained out all of the fluid. I don't know if it is because it is cold up here in NY or what, but even with the car turned off the pump motor just keeps running. I tried to unplug the motor, but after I did so the pump started smoking, and the top of the pump broke off. It's an easy replacement, just $17 bucks, but I just wanted to know if anyone has ever heard of a pump just staying on the whole time (maybe the pump or the switch?)
- After unplugging the pump, my right directional doesn't blink. It turns on, but doesn't cancel out, and when I try to use the right directional, you can hear a quick buzz/beep under the glove box.
Any clues as to what may be the problem with each scenario? I will be going out to buy the pump today to test out the plug, to see if the motor continuously runs or not.
- For some reason out of nowhere, my rear washer pump would not stop running and drained out all of the fluid. I don't know if it is because it is cold up here in NY or what, but even with the car turned off the pump motor just keeps running. I tried to unplug the motor, but after I did so the pump started smoking, and the top of the pump broke off. It's an easy replacement, just $17 bucks, but I just wanted to know if anyone has ever heard of a pump just staying on the whole time (maybe the pump or the switch?)
- After unplugging the pump, my right directional doesn't blink. It turns on, but doesn't cancel out, and when I try to use the right directional, you can hear a quick buzz/beep under the glove box.
Any clues as to what may be the problem with each scenario? I will be going out to buy the pump today to test out the plug, to see if the motor continuously runs or not.
#2
Alright, to add to the list I already have, when I went to start my truck, the battery was dead. After I jump started it, drove it around, and turned it off, the smaller headlights, the taillights, and the rear windshield wiper were still on, with the key out of the ignition. Now it definitely looks to be a short somewhere in the same circuit where the rear washer pump was connected to.
Now, I have the washer pump disconnected, and right now we have snow up here, so could it be a possibility that snow could affect the circuitry, seeing how I had the hood open when I went to disconnect the pump?
Now, I have the washer pump disconnected, and right now we have snow up here, so could it be a possibility that snow could affect the circuitry, seeing how I had the hood open when I went to disconnect the pump?
#3
There is a lot of things going on here...
I'll start with some schematics:
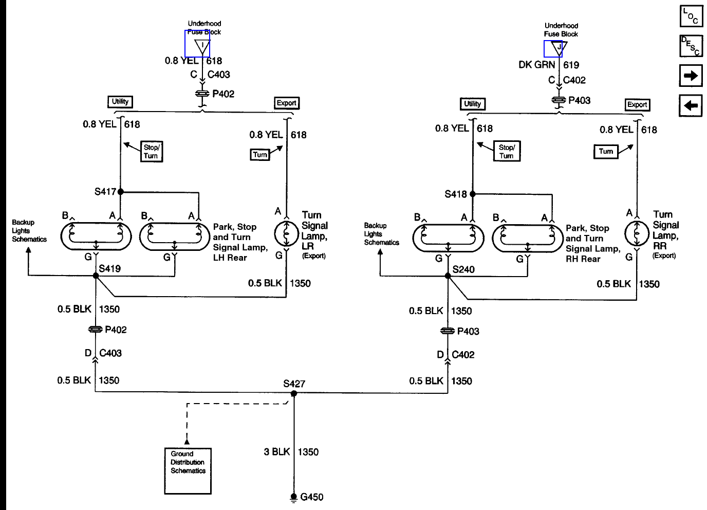
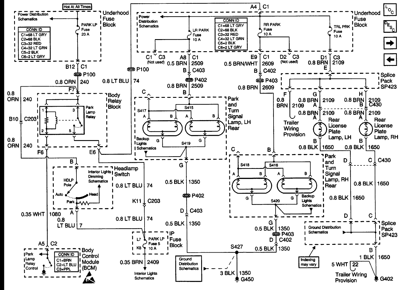
Park lights:

Brake/Turn:


Rear Wiper:

Multifunction Switch:

I do not have any schematics for the headlights currently and do not have my references with me to get them either. Hopefully these schematics will give you something to look through for points in common.
I'll start with some schematics:
Park lights:

Brake/Turn:


Rear Wiper:

Multifunction Switch:

I do not have any schematics for the headlights currently and do not have my references with me to get them either. Hopefully these schematics will give you something to look through for points in common.
Thread
Thread Starter
Forum
Replies
Last Post
racechaplain
2nd Generation S-series (1995-2005) Tech
14
05-13-2014 05:42 PM
BlazinHo
Lighting & Electrical
5
05-11-2014 06:09 PM
scott_wheels
2nd Generation S-series (1995-2005) Tech
3
03-06-2010 04:37 PM
redpeppers
2nd Generation S-series (1995-2005) Tech
3
04-07-2007 04:55 AM








