whats the name of this?
my dad thinks its called the main power harness but i googled it and i am not getting anything. Its all the wires that run from the power center across the firewall to the computer and runs to everything in between them.
We tried to fix the wires by cleaning them and wrapping them in electrical tape, but i went to run the wipers this morning and they only go in 1 speed. I have replaced the wiper motor and the turn signal switch.
We tried to fix the wires by cleaning them and wrapping them in electrical tape, but i went to run the wipers this morning and they only go in 1 speed. I have replaced the wiper motor and the turn signal switch.
sorry, it is a 98. I am having problems with which ever one controls the wipers. I am only getting 1 speed.
I know that you said that you had replaced the wiper motor, but was it with a new one? If so, it should have come with a new pulse board (what the electrical connection plugs into). Regardless, check out this thread:
Fix for cold solders in the Wiper Motor
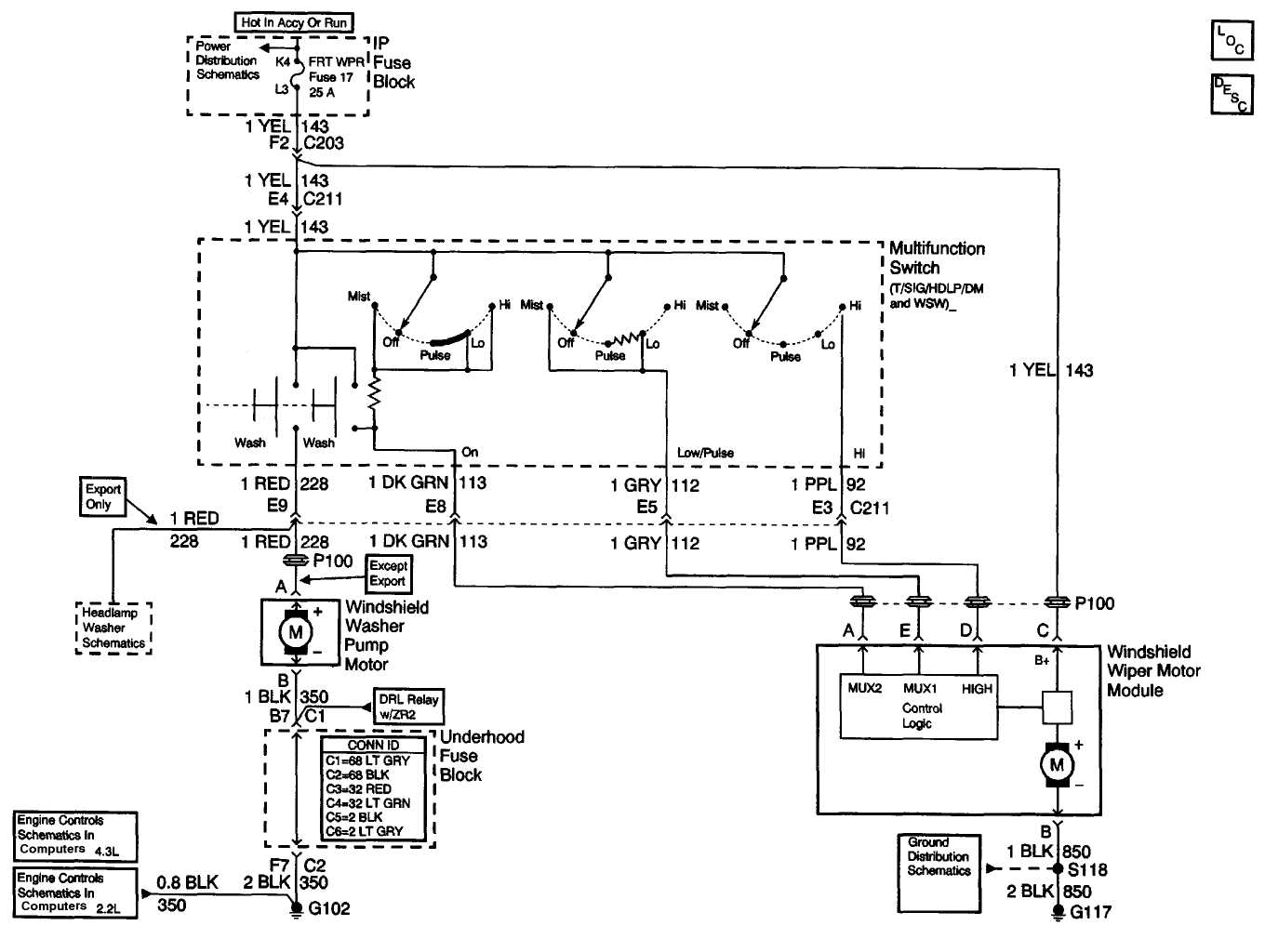
You could also check all of the wiring in the attached diagram:
Fix for cold solders in the Wiper Motor
You could also check all of the wiring in the attached diagram:
thank you. i bought a new ac delco motor.
forgot to mention this. When my dad cleaned the wires and wrapped them in electrical tape, the wipers worked properly. Now they dont.
Since the wires were bare in some places and then having problems with the horn, i figured i need that whole set of new wires.
forgot to mention this. When my dad cleaned the wires and wrapped them in electrical tape, the wipers worked properly. Now they dont.
Since the wires were bare in some places and then having problems with the horn, i figured i need that whole set of new wires.
Last edited by swartlkk; Oct 14, 2010 at 09:59 AM. Reason: *Combining Consecutive Posts* - Please use the EDIT feature to add additional information to your post if another member yet to respond.
From the sound of it, you need to cut out those bad/bare wires and splice in new ones. Wrapping things with electrical tape really doesn't seal them up. Corrosion can still run rampant inside the tape and cause further problems. Some wire and a few 3M shrink wrap butt connectors should get you all fixed back up. Try to stagger your joints so you do not have a large bulge in the harness.
Also, rather than posting back to back since the rules do call this out, please edit your post to provide additional information. Thanks and good luck with your problem.
Also, rather than posting back to back since the rules do call this out, please edit your post to provide additional information. Thanks and good luck with your problem.
Thread
Thread Starter
Forum
Replies
Last Post
0ffroader
2nd Generation S-series (1995-2005) Tech
3
May 4, 2013 12:25 AM
midnightmekanik
2nd Generation S-series (1995-2005) Tech
8
Oct 8, 2009 08:32 PM
pigmak
2nd Generation S-series (1995-2005) Tech
10
Jun 30, 2008 08:20 PM






