Wipers and radio act up together
#1
Thread Starter
Join Date: Oct 2008
Posts: 4

Hi all,
I've found posts about wiper problems and post about radio problems but not quite what my blazer is doing.
This is a 97 4 door, v6, auto, air, auto locks, elect windows & mirrors, manual seats, all stock.
Thisstarted months ago. Occasionally when I'dput the wipers on intermittent, every time the wipers would start up the radio would cut in and out and the wipers would pause while the radio was out. It would do it two or three times for each pass of the wipers. Putting the wipers to fully on would work fine - wipers would stay on, radio would stay on.
In the last month it's progressed to where the radio cut in and out whether the wipers were on or not and eventually quit altogether. The wipers also quit altogether.
So what is common between these two unrelated systems that would cause a failure in the same manner at the same time? All I can think of is power - either the fuseblock end or maybe they share a common ground. I've looked at the fuseblock briefly and it looks OK. But I've got just about all but the actual dash out and I'll be doggoned if I can find any ground connections under the dash.
Any suggestions as to where the grounds are or other course of action? (I have taken the wiper board out and the solder connections look fantastic.)
Thanks for any thoughts...
I've found posts about wiper problems and post about radio problems but not quite what my blazer is doing.
This is a 97 4 door, v6, auto, air, auto locks, elect windows & mirrors, manual seats, all stock.
Thisstarted months ago. Occasionally when I'dput the wipers on intermittent, every time the wipers would start up the radio would cut in and out and the wipers would pause while the radio was out. It would do it two or three times for each pass of the wipers. Putting the wipers to fully on would work fine - wipers would stay on, radio would stay on.
In the last month it's progressed to where the radio cut in and out whether the wipers were on or not and eventually quit altogether. The wipers also quit altogether.
So what is common between these two unrelated systems that would cause a failure in the same manner at the same time? All I can think of is power - either the fuseblock end or maybe they share a common ground. I've looked at the fuseblock briefly and it looks OK. But I've got just about all but the actual dash out and I'll be doggoned if I can find any ground connections under the dash.
Any suggestions as to where the grounds are or other course of action? (I have taken the wiper board out and the solder connections look fantastic.)
Thanks for any thoughts...
#2
Only thing that I can think of off the top of my head is the ignition switch. Typically this will cause problems with other more critical systems though...
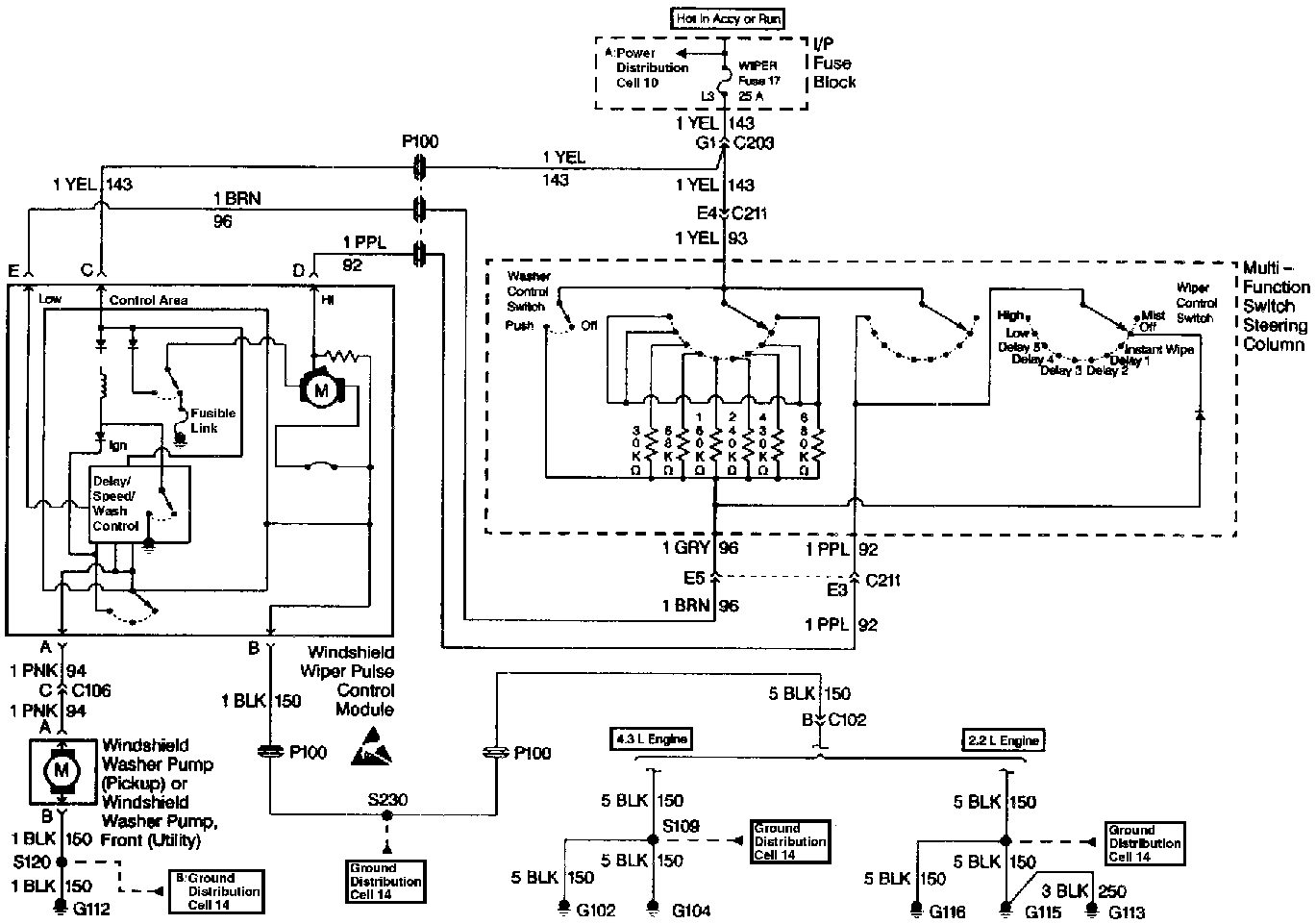
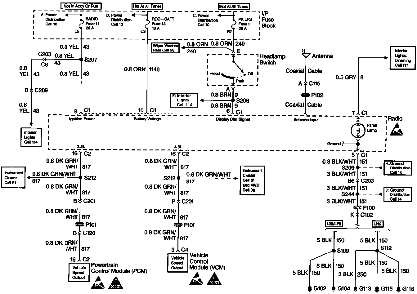
Here are the wiring diagrams:


Looking at the schematics, they do share the grounds. I will see if I can find the ground location.
*EDIT* - G102 is on the back of the passenger side cylinder head and G104 is located on the back of the driver side cylinder head. It is going to be a royal pain getting to either of these. The distributor and HVAC housing are in the way on the passenger side. Fuel lines and brake booster on the driver side.
I can say this, these grounds serve a LOT of other items as well...
Here are the wiring diagrams:


Looking at the schematics, they do share the grounds. I will see if I can find the ground location.
*EDIT* - G102 is on the back of the passenger side cylinder head and G104 is located on the back of the driver side cylinder head. It is going to be a royal pain getting to either of these. The distributor and HVAC housing are in the way on the passenger side. Fuel lines and brake booster on the driver side.
I can say this, these grounds serve a LOT of other items as well...
#3
Thread Starter
Join Date: Oct 2008
Posts: 4

Swartlkk-
Thanks so much for the diagrams! My Haynes has a similar diagram for the radio but nothing for the wiper circuit.
Funny that I just came inside from working on it because it's starting to rain hard again, checked the forum and found your post. What I was looking at was voltages on the fuseblock and curiously enough find that the wipers fuse and radio fuse both have about 2.4 volts on their input while everything else has 11.9 (battery's low from troubleshooting with the key on - on the charger now!). So it is looking more like the key switch rather than grounds. The inputs to the fuseblock for those two circuitslook to bedifferent wires though, so I wasn't thinking they'd have a common terminal on the switch. Do you happen to have any diagrams showing that?
Thanks again for the ideas and the diagrams!
Thanks so much for the diagrams! My Haynes has a similar diagram for the radio but nothing for the wiper circuit.
Funny that I just came inside from working on it because it's starting to rain hard again, checked the forum and found your post. What I was looking at was voltages on the fuseblock and curiously enough find that the wipers fuse and radio fuse both have about 2.4 volts on their input while everything else has 11.9 (battery's low from troubleshooting with the key on - on the charger now!). So it is looking more like the key switch rather than grounds. The inputs to the fuseblock for those two circuitslook to bedifferent wires though, so I wasn't thinking they'd have a common terminal on the switch. Do you happen to have any diagrams showing that?

Thanks again for the ideas and the diagrams!
#4
I could not find a diagram showing the interaction of the ignition switch with the rest of the electronics.
Thread
Thread Starter
Forum
Replies
Last Post
JiminSRQ
2nd Generation S-series (1995-2005) Tech
2
09-19-2009 04:06 PM
putting tranny together, lost the spot i was in, now i dont know how it goes back together!!!!!!!!!!
rob1621
General Chat
2
03-09-2008 09:39 AM








