98 blazer numerous electrical problems
I want to start off by saying this is a great forum. I've found alot of information thats helped me out.
But now I'm to the point that i've got problems i cant quite figure out where to look next.
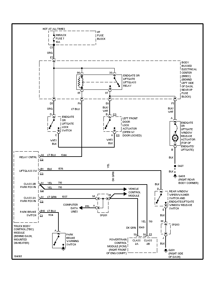
But the first is the rear glass release. It'll open from the switch on the dash i can go to the lock on the rear hatch with the key, lock and unlock all locks but when i press it. it wont pop the glass and rear hatch is good already pulled panel and checked switch power is going through switch but not getting to solinoid
Second problem is dome lights will never go off unless i keep them off by the dome override, already checked all door jamb switchs all are good but i noticed while retesting the switches on the vehichle hooked to wiring with my old analog voltmeter on cotinunity/resistance setting. the needle would drop about a 1/4 sweep but wouldn't drop to 0 on any of the switches while hooked to wiring but they would 0 out unhooked.
Last problem the power mirrors dont work dont know if they have power or not couldn't find a wiring diagram for them.
Also its still all factory none of the wiring has been cut up
But now I'm to the point that i've got problems i cant quite figure out where to look next.
But the first is the rear glass release. It'll open from the switch on the dash i can go to the lock on the rear hatch with the key, lock and unlock all locks but when i press it. it wont pop the glass and rear hatch is good already pulled panel and checked switch power is going through switch but not getting to solinoid
Second problem is dome lights will never go off unless i keep them off by the dome override, already checked all door jamb switchs all are good but i noticed while retesting the switches on the vehichle hooked to wiring with my old analog voltmeter on cotinunity/resistance setting. the needle would drop about a 1/4 sweep but wouldn't drop to 0 on any of the switches while hooked to wiring but they would 0 out unhooked.
Last problem the power mirrors dont work dont know if they have power or not couldn't find a wiring diagram for them.
Also its still all factory none of the wiring has been cut up
Last edited by jeff's98blazer; Mar 21, 2011 at 09:28 PM.
From the schematic, it appears that the switch out back runs through the driver door lock actuator which locks which then powers the window release actuator. The switch inside interfaces with the BCM (or TBC as it shows in the schematic) which then energizes the relay.
I was able to find the diagnostic chart showing your condition as well.
I was able to find the diagnostic chart showing your condition as well.
Thread
Thread Starter
Forum
Replies
Last Post
cutiger80@alumni.clemson.edu
2nd Generation S-series (1995-2005) Tech
3
Jul 6, 2015 09:08 PM
JoSHN
Full Size K5 (1969-1991) GMT415 (1992-1994) Tech
6
Sep 14, 2012 04:56 PM
David Doval
2nd Generation S-series (1995-2005) Tech
5
Jul 22, 2012 04:05 PM






