98 jimmy no spark
#1
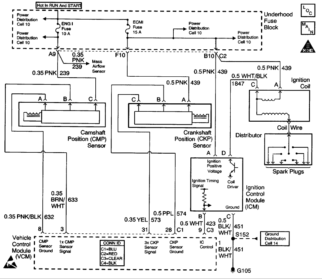
So i have no spark, and really just lost on what happened to cause this. Heres the history originally about 6 months ago my 98 4door jimmy started killing coil packs 1 a month, but everytime you would throw in a new one it was fine after the 3rd or 4th coil pack i changed the pigtail, and was fine for about 2 or 3 months. Now about 5 days ago i was driving down the road and the motor just cut off, figured no spark change the coil pack no big deal, go to start it up after i change the coil and still no spark. So far i have tested or changed the coil pack with a brand new one, Ignition control module, the camshaft position sensor, the crankshaft position sensor, plug wires that needed changed anyway"ac delco wires", And still i am yet to get a stitch of spark, what am i overlooking i have no check engine light on, or no codes even stored. Not really sure where to go from here, The motor is a reman so theres only about 40k on it, so im about 99% sure its not things like a broken timing chain, Lobed cam etc etc. Also the security light is going off as it should, no passlock engaged, thanks in advance for any help or suggestions
#2
Thread
Thread Starter
Forum
Replies
Last Post
JavierEscalonJr
2nd Generation S-series (1995-2005) Tech
11
10-14-2020 11:38 PM
abe_f
2nd Generation S-series (1995-2005) Tech
2
04-01-2013 11:19 PM
Yankee Team1020
2nd Generation S-series (1995-2005) Tech
23
08-03-2011 08:05 AM









