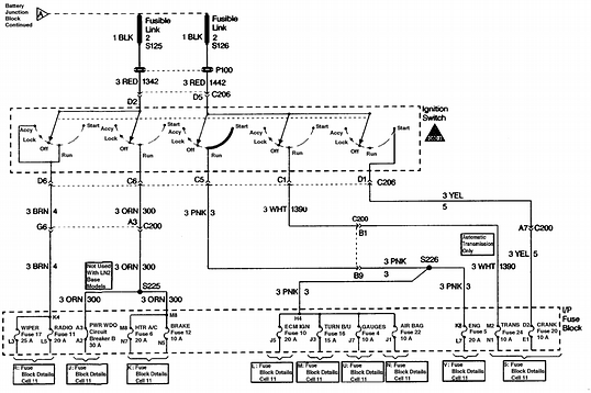
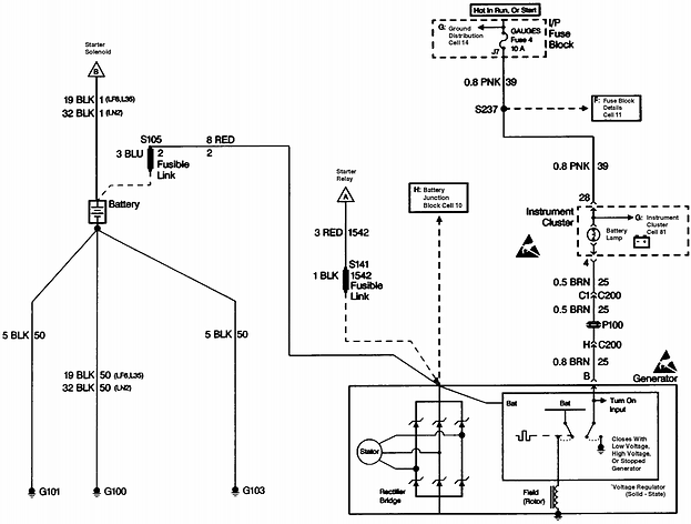
Electrical help needed
Im needing a diagram of the engine harness and need to know where the positive wires from the starter and altenator go?I thought the starter wires go to the battery but they wont reach it.
on my 92 toy the only wires on the starter are the main hot from the battery and the start wire on the selonoid - on the positive post on the alternator is a black with a red stripe and the two reds with the fuseable links - black with red stripe runs from the battery to alt for power - red's with fuseable links are the main power to cab, fuse box, accessory and such - sorry but thats the only fuseable links in mine -
Last edited by odat; Nov 18, 2013 at 06:08 AM. Reason: added text



