Short/Bad Ground
Before I head down the rabbit hole I was wondering if anyone has encountered this issue. My 2000 S10 has working lights during the day, however once the night time headlights kick on I lose power in the rear driver side tail light. The rear blinker also does not work. It’s odd too because the blinkers that work blink faster than normal and the interior passenger side blinker light stays lit green. The horn also stops working. Has anyone ever had this happened? What is the best way to track down the issue. Any help is appreciated fellas. Thanks!
Start with a deer slug, if that doesnt work, its BMG .50 time
That has all the earmarks of a bad ground. The headlights might draw 10 amp or more, the tail lights much less. With HLs on, a large voltage drop across the bad ground puts the other circuits above ground and reduces their voltage.
Need a factory service manual to find the ground points, they can be hiding anywhere. I have a 95 manual, it MIGHT..... be OK as Chevy told me the S10 changed chassis over in 2001.
PM me if you need pix of the manual pages.
That has all the earmarks of a bad ground. The headlights might draw 10 amp or more, the tail lights much less. With HLs on, a large voltage drop across the bad ground puts the other circuits above ground and reduces their voltage.
Need a factory service manual to find the ground points, they can be hiding anywhere. I have a 95 manual, it MIGHT..... be OK as Chevy told me the S10 changed chassis over in 2001.
PM me if you need pix of the manual pages.
There are dozens of ground points which serve the various lights, motors etc. as a local ground. Less wires. The taillights have grounds on the inside of the fender where about 3-4 wires meet on each vehicle side. Most of the time they are welded, threaded studs. A good example is on the firewall, around the top middle section.
There are dozens of ground points which serve the various lights, motors etc. as a local ground. Less wires. The taillights have grounds on the inside of the fender where about 3-4 wires meet on each vehicle side. Most of the time they are welded, threaded studs. A good example is on the firewall, around the top middle section.
AFAIK behind the side mold close to the light fixture, but on the inside of the trunk. You may have to remove the side cover(s), at least on the 94's, then behind the tool set on the left side was a ground point. I've used that point and the free space to splice my trailer harness .
For the specific model year you would need to make sure there is a ground point. Else you can create a ground point yourself. Any outfitters manual should give instructions about that. I would put it somewhere on the inside, not touching carpet or plastic parts (fire hazard, should the ground point ever overheat) but close to where you need it. Rust prevention is an absolute must if you drill through the bottom pan or anywhere to the outside.
Another option in the back could be to use the attachment point where the ground strap from the tailgate connects.
For the specific model year you would need to make sure there is a ground point. Else you can create a ground point yourself. Any outfitters manual should give instructions about that. I would put it somewhere on the inside, not touching carpet or plastic parts (fire hazard, should the ground point ever overheat) but close to where you need it. Rust prevention is an absolute must if you drill through the bottom pan or anywhere to the outside.
Another option in the back could be to use the attachment point where the ground strap from the tailgate connects.
Does a ground issue sound like it would be the cause? Everything works fine in the day and as soon as the automatic lights for night come on the left side Rear/Front blinker and rear tail light work. So I’m confused.
I'm putting my money on a bad bulb in the driver's side tail light. This kind of thing happens when lamp elements break and lay across each other. But then I've been wrong before. The horn thing is a puzzler. Shouldn't be affected.
Last edited by LesMyer; Jul 2, 2020 at 11:16 AM.
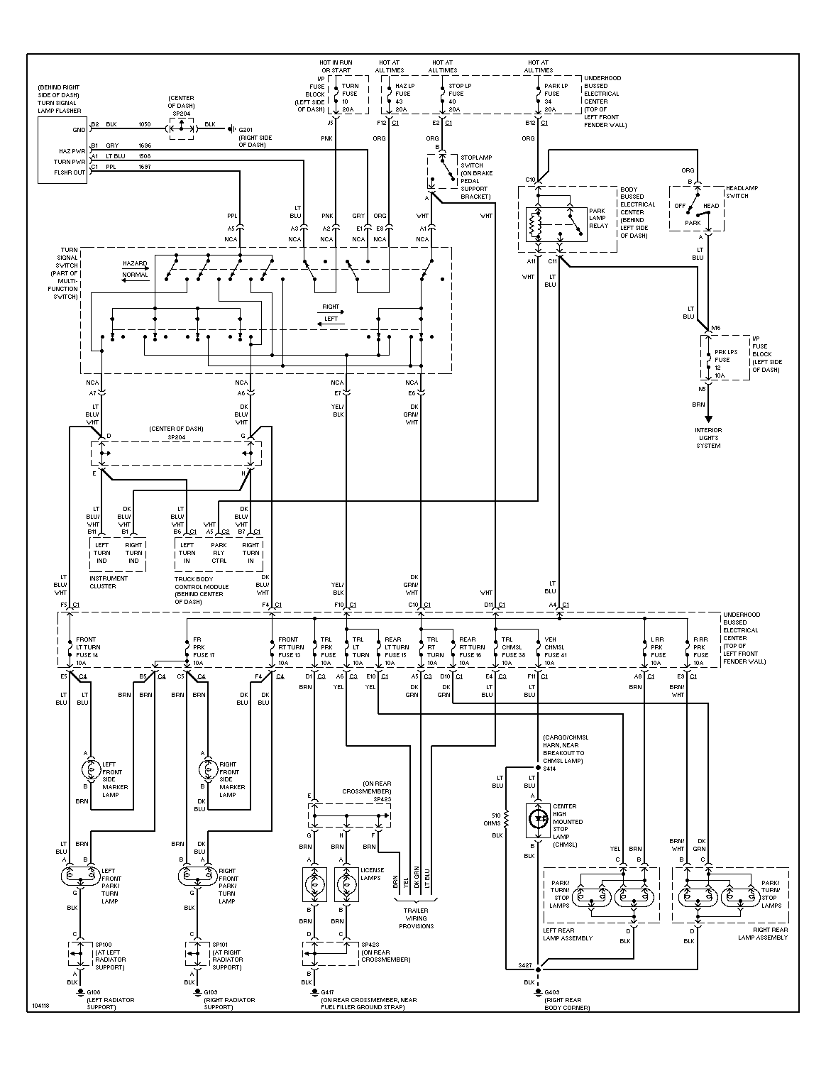
according to this pic i found on the forums -
for a 1998 (and probably '99) the ground point is shared between all 3 taillights and it should be on the rear right cab corner, i was just under my truck a minute ago and cannot find it anywhere, even with no rear bumper or spare tire in the way.
for a 1998 (and probably '99) the ground point is shared between all 3 taillights and it should be on the rear right cab corner, i was just under my truck a minute ago and cannot find it anywhere, even with no rear bumper or spare tire in the way.



