Lighting & Electrical Post your lighting and chassis/engine electrical questions here. Any audio/video questions should be posted in the 'Audio/Video Electronics' section.

Small wire fire on firewall

Thread Tools
 
Search this Thread
 
Old Aug 29, 2022 | 07:13 PM
  #21  
Aviodont's Avatar
Thread Starter
|
New Member
Joined: Aug 2022
Posts: 69
From: South Carolina
Aviodont is on a distinguished road
Default

Originally Posted by GeorgeLG
Here's what we know:

You don't get any voltage on the purple/red wire on the starter small right post with the key in the start position but yet you have continuity from that post to the purple wire up top by the intake. That wire should go back to the ignition switch for the start signal. So then that switch is either broken or has lost power for the start leg. You also have a broken fusible link. The question there is 1) why did the link blow, where is the short and 2) is that the leg back to power the ignition switch and there is your lack of 12V in the start circuit?

Those two red wires on the big starter post become three wires and end up:

Alternator
Left post on the firewall block
Ignition switch

The block on the firewall then goes to:

Alternator
Ignition switch
Cooling fan relay
Trailer wiring
U/H light
Blower relay
Aux battery relay

Not 100% sure on all those circuits because I have 2 sets of wiring diagrams and they don't agree so some amount of sleuthing will be required to chase all this down.


George
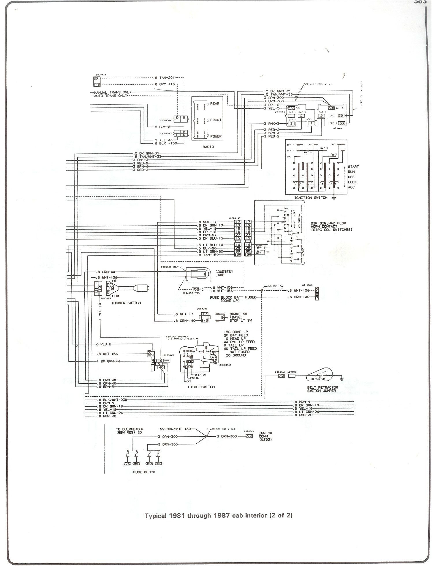
i am out tonight, but on a wiring diagram I found, it states that the purple wire (circuit 6) goes to the transmission first (neutral safety switch) where it connects with circuit 5 (yellow) that goes to the ignition switch (solenoid terminal). I have not confirmed that in the truck yet. In the first photo below, see three purple highlights. In the second photo below, there is a “intersection of wires” on the left side of the same page that I have no idea what it means.









 
Old Aug 29, 2022 | 07:17 PM
  #22  
GeorgeLG's Avatar
BF Veteran
Joined: Jan 2007
Posts: 4,635
From: Florida
GeorgeLG will become famous soon enoughGeorgeLG will become famous soon enough
Default

Thats why I asked if this was a straight run from the starter up towards the firewall because a trans/clutch safety switch is common today but not shown on one of the diagrams I found. Is this a manual or automatic Tranny?


George
 
Old Aug 29, 2022 | 07:30 PM
  #23  
Aviodont's Avatar
Thread Starter
|
New Member
Joined: Aug 2022
Posts: 69
From: South Carolina
Aviodont is on a distinguished road
Default

Originally Posted by GeorgeLG
Thats why I asked if this was a straight run from the starter up towards the firewall because a trans/clutch safety switch is common today but not shown on one of the diagrams I found. Is this a manual or automatic Tranny?


George
automatic.

I wonder why they run the purple wire forward along the bottom of the engine, then upwards in front of the engine, then rear wards along the valve cover!

 
Old Aug 29, 2022 | 08:20 PM
  #24  
GeorgeLG's Avatar
BF Veteran
Joined: Jan 2007
Posts: 4,635
From: Florida
GeorgeLG will become famous soon enoughGeorgeLG will become famous soon enough
Default

This makes three different wiring diagrams that I have seen for this truck series. One shows purple out of the ignition switch straight to the starter. One shows that wire interrupted by a clutch for a manual and no interlock for an automatic and yet another adds the trans nuetral/park switch for an auto. Some show purple only and some show yellow and/or purple. Your just going to have to trace the wire back from the starter.

Another route is to trace the positive cable with the jacked up fusible link, find the short and repair the wire because this may be the 12v source into the ignition switch for the start leg.


George
 
Old Aug 29, 2022 | 09:45 PM
  #25  
Aviodont's Avatar
Thread Starter
|
New Member
Joined: Aug 2022
Posts: 69
From: South Carolina
Aviodont is on a distinguished road
Default

Originally Posted by GeorgeLG
This makes three different wiring diagrams that I have seen for this truck series. One shows purple out of the ignition switch straight to the starter. One shows that wire interrupted by a clutch for a manual and no interlock for an automatic and yet another adds the trans nuetral/park switch for an auto. Some show purple only and some show yellow and/or purple. Your just going to have to trace the wire back from the starter.

Another route is to trace the positive cable with the jacked up fusible link, find the short and repair the wire because this may be the 12v source into the ignition switch for the start leg.


George
I have tomorrow off from work, so I will get out there and start following wires.

in the meantime, do you have the links to the other two wiring diagrams? Mine may not be correct since it shows only two wires going to the junction block. Mine has three plus the black one that someone added later.



 
Old Aug 29, 2022 | 10:31 PM
  #26  
GeorgeLG's Avatar
BF Veteran
Joined: Jan 2007
Posts: 4,635
From: Florida
GeorgeLG will become famous soon enoughGeorgeLG will become famous soon enough
Old Aug 30, 2022 | 06:43 PM
  #27  
Aviodont's Avatar
Thread Starter
|
New Member
Joined: Aug 2022
Posts: 69
From: South Carolina
Aviodont is on a distinguished road
Default

Originally Posted by GeorgeLG

I created a YouTube video that shows what I have done so far. I made progress on the purple wire. And the wires emanating from the junction block. I really think this has to be something either with the alternator or the ignition (I think the ignition, because I believe that is where the red wire has to end up after it reaches the firewall on the driver side of the brake booster.

 
Old Aug 30, 2022 | 08:24 PM
  #28  
GeorgeLG's Avatar
BF Veteran
Joined: Jan 2007
Posts: 4,635
From: Florida
GeorgeLG will become famous soon enoughGeorgeLG will become famous soon enough
Default

When you turn the ignition sw to start do you get 12v on the yellow/ppl wire INTO the neutral safety switch?

Please draw a wiring diagram for what you discovered and then we will diagnose the problem. Label each wire run with a letter to help us communicate. We are going to need a heavy gauge fused jumper wire around 6 feet long and a dozen fuses like this:






George
 
Old Aug 31, 2022 | 10:16 AM
  #29  
Aviodont's Avatar
Thread Starter
|
New Member
Joined: Aug 2022
Posts: 69
From: South Carolina
Aviodont is on a distinguished road
Default

Originally Posted by GeorgeLG
When you turn the ignition sw to start do you get 12v on the yellow/ppl wire INTO the neutral safety switch?

Please draw a wiring diagram for what you discovered and then we will diagnose the problem. Label each wire run with a letter to help us communicate. We are going to need a heavy gauge fused jumper wire around 6 feet long and a dozen fuses like this:






George
when key is twisted fully to start, no voltage detected on the purple wire and wire is continuous to the firewall with no stops along the way. I did not check at the neutral safety switch, but if it was positive at the switch it would have to come from the yellow wire.

diagram to follow....

 
Old Aug 31, 2022 | 10:24 AM
  #30  
Aviodont's Avatar
Thread Starter
|
New Member
Joined: Aug 2022
Posts: 69
From: South Carolina
Aviodont is on a distinguished road
Default

Here is my makeshift diagram.



 



All times are GMT -5. The time now is 03:09 AM.