01 hvac fuses blowing in frigid temps
#1
Thread Starter
Join Date: Jan 2009
Posts: 2

Last night I started the vehicle at work in -5 F temps, and the blower setting was on 4. Battery somewhat slow to start vehicle and the 30A fuse burned out. I changed it at home. Blower worked great. Now tonight blower motor a no go.
Thanks in advance,
Don
Thanks in advance,
Don
#2
*Moved to 2nd Gen Tech*
This fuse only services the blower. How the power is used depends on the HVAC system you have. IIRC, RPO C42 is a heater only (no ac), RPO C60 is A/C & Heat, and RPO C88 is the Auto climate control HVAC system.
Here are the three electrical diagrams (since C42 is not very common and the blower controls are the same as C60, I will skip that one):
RPO C60

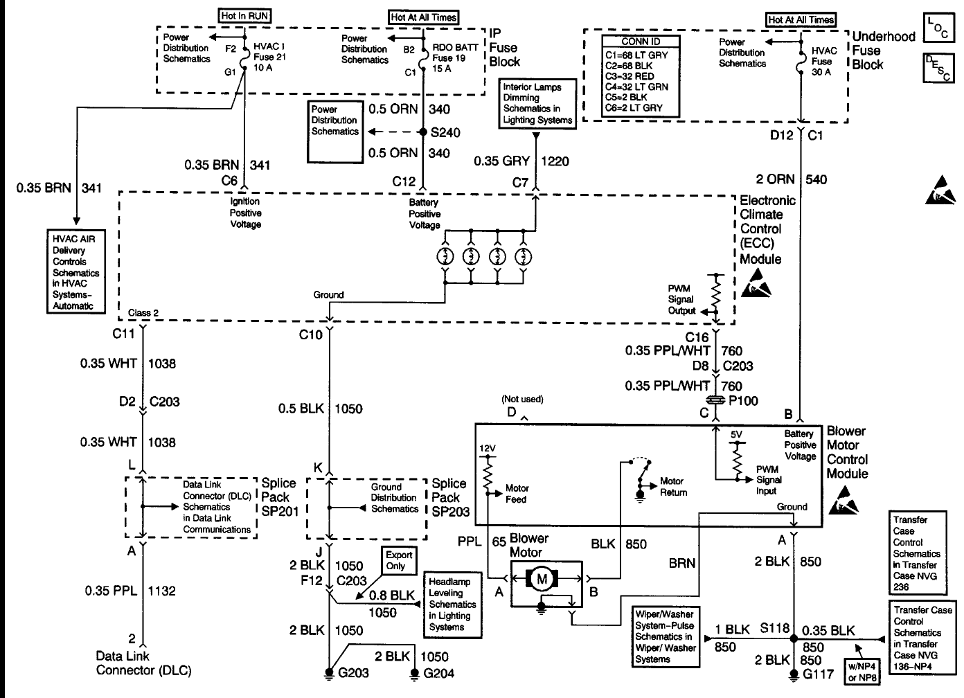
RPO C88

Does the fuse blow only on high or does it blow on any of the other settings? The relay is the only thing responsible for the high setting and no current goes through the blower motor resistor block for the C42/C60 system. For the C88 system, the blower motor control module is responsible for it all.
This fuse only services the blower. How the power is used depends on the HVAC system you have. IIRC, RPO C42 is a heater only (no ac), RPO C60 is A/C & Heat, and RPO C88 is the Auto climate control HVAC system.
Here are the three electrical diagrams (since C42 is not very common and the blower controls are the same as C60, I will skip that one):
RPO C60

RPO C88

Does the fuse blow only on high or does it blow on any of the other settings? The relay is the only thing responsible for the high setting and no current goes through the blower motor resistor block for the C42/C60 system. For the C88 system, the blower motor control module is responsible for it all.
Thread
Thread Starter
Forum
Replies
Last Post
nineteensixtycaddy
2nd Generation S-series (1995-2005) Tech
2
09-12-2010 08:54 PM








