crashed and no 4wd anymore
I crashed the front end of my 2000 Blazer 4x4. I had the frame pulled back (drivers side behind top control arm and under driver door) and put a new front clip on and some misc. parts. Now my 2wd-4low-4high buttons have no lights and no function. I checked the fuses and was unable to find any bad ones. Also I have no dome lights anymore either manually operated or automatic (I checked the fuses and there good). The 4wd issue is most important but help with both would be great!! Is it possible that a relay or 2 is bad?
I'm not that savy of a mechanic with cars. I work on machines for work and enjoy it very much. I only work on cars if I have to. I can read a print pretty well to trouble shoot electrical problems. Is the diagram you sent me in the engine compartment on the fire wall opposite of the instrument panel? If so its pretty hard to see where the G205 is. And is there a way I can check the 4 wheel drive buttons to see if the proper voltage and ground is there? Its easy to pull the buttons out and check for voltage, I just don't know what is suppose to be there and what wires to check. Is there someplace online that I can get electrical prints? I'd really like to get the 4wd working before snow flies. I have illumination to the buttons just no little yellow dot on the button letting me know what is actually locked in. Thank gooness its locked in just 2wd now!
Make sure all of the grounds got put back and are clean and tight. I'm not familiar with how these circuits run, but a bad ground can easily be responsible for multiple electrical problems. Give the work you had done a chassis ground could have easily been detached and not reattached.
If there was somewhere on line to get prints free, I sure wouldnt be using those.
And finding the right prints in sequence on Alldata is like putting together a jigsaw puzzle.
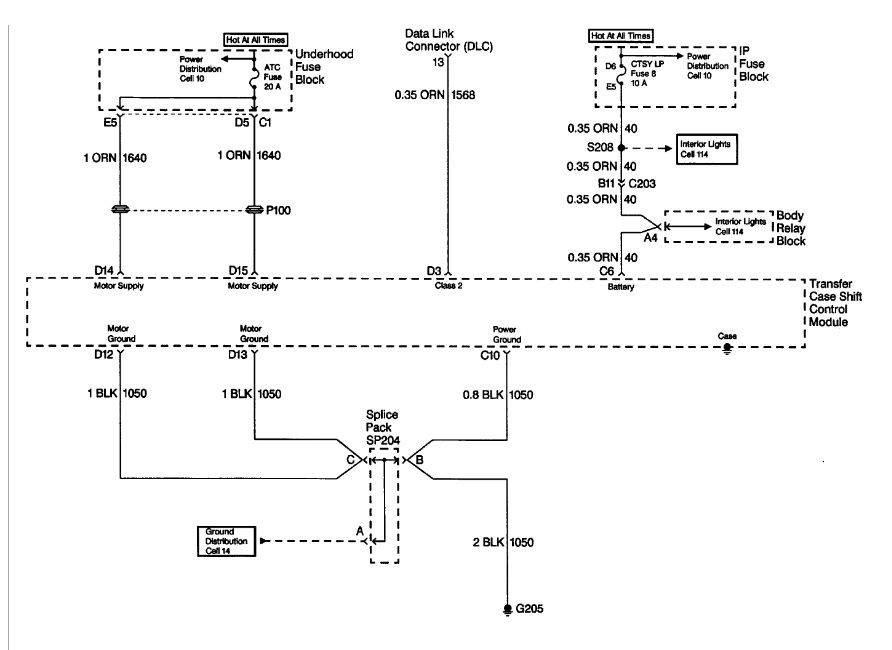
The reason I showed you the schematic is the common point source for interior lighting and the TCCM. Probing the buttons, themselves would only lead you back to the TCCM, more likely the fault is at the box rather than buttons.
Start with checking for 12v on both sides of those fuses shown. Then follow the orange to the TCCM
And finding the right prints in sequence on Alldata is like putting together a jigsaw puzzle.
The reason I showed you the schematic is the common point source for interior lighting and the TCCM. Probing the buttons, themselves would only lead you back to the TCCM, more likely the fault is at the box rather than buttons.
Start with checking for 12v on both sides of those fuses shown. Then follow the orange to the TCCM
I'm not that savy of a mechanic with cars. I work on machines for work and enjoy it very much. I only work on cars if I have to. I can read a print pretty well to trouble shoot electrical problems. Is the diagram you sent me in the engine compartment on the fire wall opposite of the instrument panel? If so its pretty hard to see where the G205 is. And is there a way I can check the 4 wheel drive buttons to see if the proper voltage and ground is there? Its easy to pull the buttons out and check for voltage, I just don't know what is suppose to be there and what wires to check. Is there someplace online that I can get electrical prints? I'd really like to get the 4wd working before snow flies. I have illumination to the buttons just no little yellow dot on the button letting me know what is actually locked in. Thank gooness its locked in just 2wd now!
Thread
Thread Starter
Forum
Replies
Last Post
midnightbluS10
The Lounge
19
Sep 28, 2010 03:49 PM
Tippman7641
2nd Generation S-series (1995-2005) Tech
5
Feb 22, 2008 01:09 AM





