Cruise & Lumbar problem
Hey i just got a 2001 blazer with the 4.3l v6 last week and ive just noticed a couple problems in it.
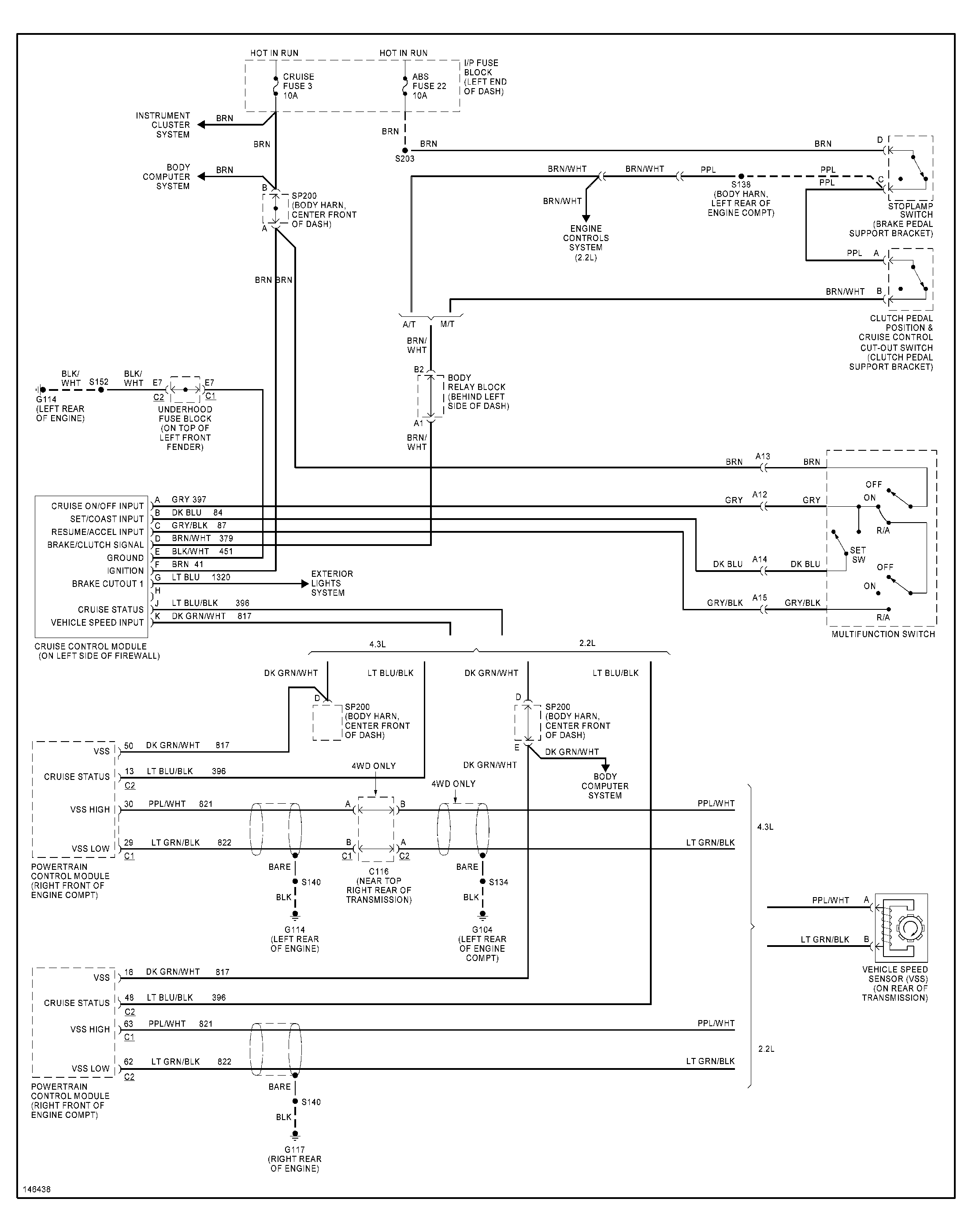
1. The cruise control was working a couple days ago, but as i was using cruise at 70 mph on the freeway i think i heard a pop like sound and then my cruise has not worked since. Checked the fuses and there all fine. Anyone know what this is?
2. My lumbar support switches dont seem to be working on either of my seats. My passenger seat is really pumped up in the lower back section and really uncomfortable and i was wondering if anyone knows if this might just be a fuse or something?
Cheers, M
1. The cruise control was working a couple days ago, but as i was using cruise at 70 mph on the freeway i think i heard a pop like sound and then my cruise has not worked since. Checked the fuses and there all fine. Anyone know what this is?
2. My lumbar support switches dont seem to be working on either of my seats. My passenger seat is really pumped up in the lower back section and really uncomfortable and i was wondering if anyone knows if this might just be a fuse or something?
Cheers, M
On your cruise control I'd check the servo in the engine compartment. Then check the vacuum lines. One other thing is to check your switch on your brake pedal. There are two mounted there. The cruise interupt and brake light switch. The cruise switch is the one with the vacuum line running to it.
Cruise on the newer trucks is all electronic. No vacuum lines to the brake switch.
I would check to make sure that the cruise cable is still connected to the throttle body as a start. Then pull on the cruise cable to see if it may have broken.
Does the rest of the seat movement work?
Does the rest of the seat movement work?
i fixed the lumbar support i guess it was the same fuse for both the heated seats and lumbar in the fuse box in the engine bay. Theres a switch for the cruise on the brake pedal? maybe ill have to take a look this afternoon. is it just a case of flipping the switch?
Cheers
Cheers
ok so when im looking up by the brake pedal should i be seeing a switch right there? i cant seem to find it. do i have to take the lower plastic dash peice off to see this switch? Its a 2001 blazer by the way
Thread
Thread Starter
Forum
Replies
Last Post
CompTechMike
2nd Generation S-series (1995-2005) Tech
0
Feb 22, 2011 01:14 PM






