Fuses
#1
Thread Starter
Join Date: Mar 2007
Location: El Paso, TX
Posts: 104

Anyone have a layout or something of the fuses? I am trying to find where the fuse is for a 1999 GMC Envoy with an air compressor in the back. I waslooking atmy envoyand I noticed that I had this switch in the back and found out it was an air compressor for like the tires or a ball. The dealership said it was more than likely a blown fuse but it would cost 40 to find it.
#2
Starting Member
Join Date: Nov 2006
Location: Rochester, NY
Posts: 180

Don't know about the Envoy's but my Blazer has all the fuses identified right on the fuse cover plate itself. Did you look there? You could also check the owners manual that should be in the glove box, that usually has a fuse layout and description of each.
#3
There is a relay located on the back side of the rear passenger side trim. You have to remove the trim to get to it.
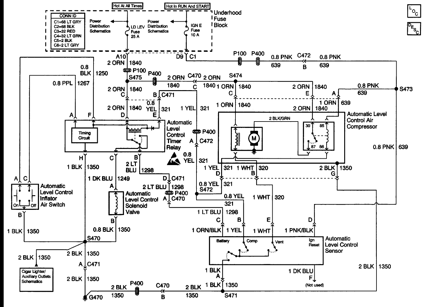
The fuse for the auto-level system is labelled 'LD LEV' in the underhood fuse box. It'll be the 25A fuse next to the Starter Fuse.
Also, here is a schematic for you:

*click on the thumbnail to view the full image*
The fuse for the auto-level system is labelled 'LD LEV' in the underhood fuse box. It'll be the 25A fuse next to the Starter Fuse.
Also, here is a schematic for you:

*click on the thumbnail to view the full image*
#4
Thread Starter
Join Date: Mar 2007
Location: El Paso, TX
Posts: 104

i replaced the fuse but it still isnt working
#5
Super Member
Join Date: May 2007
Location: Appleton, WI / Houghton, MI
Posts: 1,980

ORIGINAL: swartlkk
There is a relay located on the back side of the rear passenger side trim. You have to remove the trim to get to it.
There is a relay located on the back side of the rear passenger side trim. You have to remove the trim to get to it.
-Lenny
#6
Thread Starter
Join Date: Mar 2007
Location: El Paso, TX
Posts: 104

Is it this part of the trim behind the air compresser unit itself? or elsewhere and if its somewhere else could u show me a pic, haha sorry im not very experienced.... and i keep trying to fix the size of the image so im sorry if its huge still
#7
Super Member
Join Date: May 2007
Location: Appleton, WI / Houghton, MI
Posts: 1,980

If that is the rear trim panel on the passenger side, then it should be behind that trim panel from my understanding.
-Lenny
-Lenny
#8
Here ya go:

It'll be located directly behind the panel where your screw driver is. You can jumper the relay and see if it turns on the air compressor by jumpering the cavities that correspond with pins 30 & 87.
You may also want to check the IGN E fuse (10A) in the underhood fuse block, however this fuse also powers the A/C Compressor Relay... That powers the relay for the compressor, the 'LD LEV' fuse powers the timer which I think is part of the control module.

It'll be located directly behind the panel where your screw driver is. You can jumper the relay and see if it turns on the air compressor by jumpering the cavities that correspond with pins 30 & 87.
You may also want to check the IGN E fuse (10A) in the underhood fuse block, however this fuse also powers the A/C Compressor Relay... That powers the relay for the compressor, the 'LD LEV' fuse powers the timer which I think is part of the control module.
#9
Thread Starter
Join Date: Mar 2007
Location: El Paso, TX
Posts: 104

its not the IGN E fuse i just checked on it right now. For the trim in the back thou, how do you take it out w/o breaking any of the tabs or whatever is holding it. In that pic above I kinda bent the tabs to get it open
#10
Thread Starter
Join Date: Mar 2007
Location: El Paso, TX
Posts: 104

so i took it in to get a free diagnostic and they say it is the pump itself? Could it be? cuz so far no one, even the dealership, has mentioned it could be that





