looking for rear gate lock schematic/daigrams
#1
Thread Starter
Join Date: Dec 2006
Location:
Posts: 38

I've got a rear gate that won't lock. This is not good when you've got stuff inside. The 4 doors lock/unlock and sometimmes the alarm will go off if the back gate is opened when the doors are locked. Back glass locks/unlocks fine. I'm trying to find a better schematic than in the Chilton book.
I suspect either signal or power to the gate or lock itself but after spending an hour scrwing around checking both sets of wires to the rear gate, still can't locate problem.
Any help appreciated., Doug
I suspect either signal or power to the gate or lock itself but after spending an hour scrwing around checking both sets of wires to the rear gate, still can't locate problem.
Any help appreciated., Doug
#2
#3
Thread Starter
Join Date: Dec 2006
Location:
Posts: 38

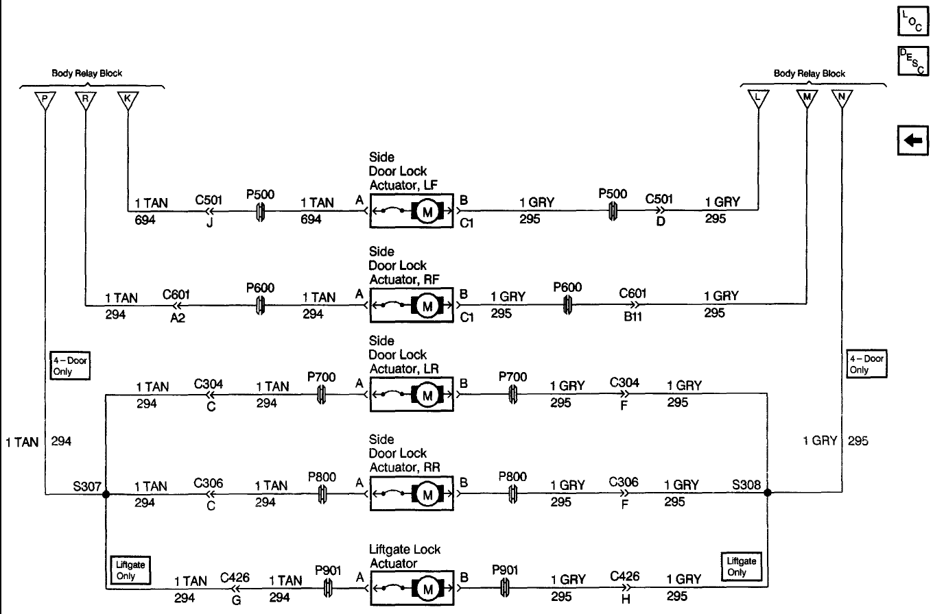
Thanks for the diagrams. I still haven't got it working right, so this should help.
Doug
Doug
#4
If you need anything else, just post up!
Thread
Thread Starter
Forum
Replies
Last Post
BloodOfTheNorth
2nd Generation S-series (1995-2005) Tech
1
02-25-2013 08:11 PM
ussexplorer
1st Generation S-series (1983-1994) Tech
2
04-11-2010 06:53 PM
96Blazernut
2nd Generation S-series (1995-2005) Tech
0
04-03-2010 10:22 PM
packmule75041
1st Generation S-series (1983-1994) Tech
6
01-02-2010 03:03 PM









