Community
Search
2nd Generation S-series (1995-2005) Tech Discuss 2nd generation S-series (1995-2005) general tech topics here.

P0200/p0300 Headache

Thread Tools
 
Search this Thread
 
  #1  
Old 01-23-2020, 05:38 PM
tru_blu's Avatar
New Member
Thread Starter
Join Date: Jan 2020
Posts: 6
tru_blu is on a distinguished road
Default P0200/p0300 Headache

What's up guys! I'm new to the forum. Just checking out this thread (kinda old) and I'm having the same issues. Gonna start tackling the diagnostic checks but I'm in serious need of an injector diagram and PCM diagram. I have a 2001 4.3 Blazer LT 2wd and I can only find diagrams up to 1999 which show that the PCM I have does NOT operate the MAF. 🤔
And to my dismay I found the yellow signal wire was cut clean buy the previous owner. I'm wondering (if after I run a check) that this PCM isn't the one that belongs on my truck. It currently has a 09386530/J1BLUE. But according to the diagrams I've seen only the J1RED can operate the MAF.
Any help would be greatly appreciated.
 
  #2  
Old 01-24-2020, 09:32 AM
GeorgeLG's Avatar
Super Member
Join Date: Jan 2007
Location: Florida
Posts: 1,559
GeorgeLG is on a distinguished road
Default

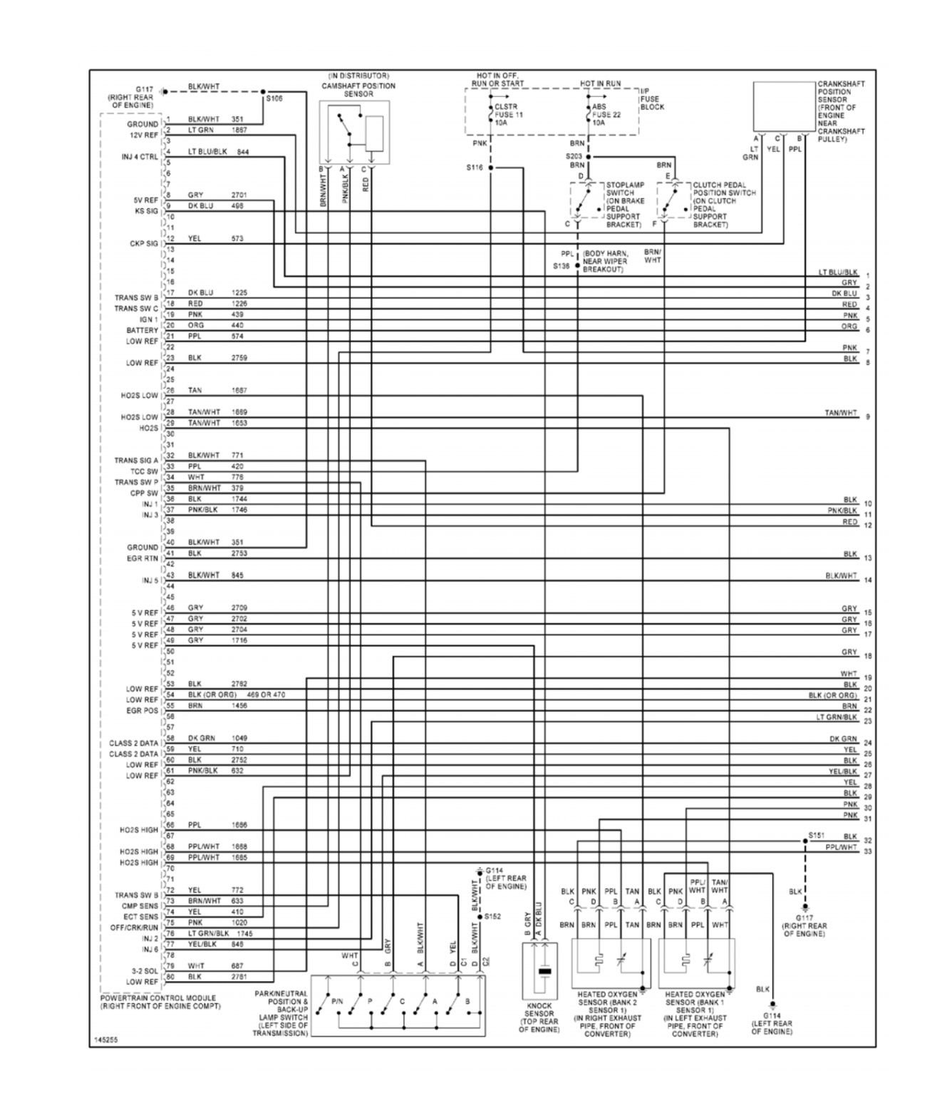
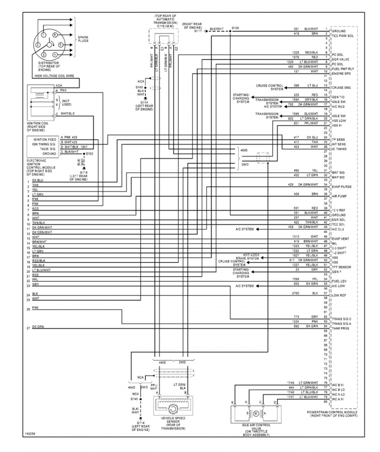
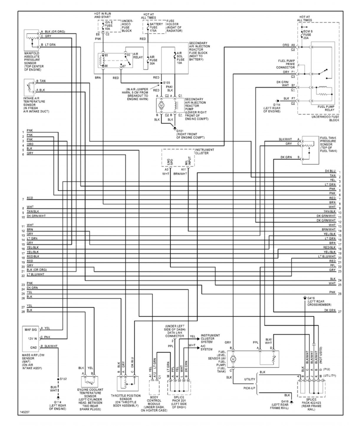
Here you go.

George





 
  #3  
Old 01-24-2020, 11:23 AM
tru_blu's Avatar
New Member
Thread Starter
Join Date: Jan 2020
Posts: 6
tru_blu is on a distinguished road
Default Thnx GeorgeLG

Brother your the best!!!
Now I can get on with this project. I'll give an update soon.
🔧😎✌️

Ok...so I've ran some checks on this p0200 issue.
​​​​​ I confirmed the PCM is the correct one for my application.
Noid test confirms all injectors are getting a signal.
Resistance on all 6 injector circuits are at .4 ohms from PCM pinout to injector connector.
No short to ground or open circuits.
So now it's time to check and see if the brand new spider injector upgrade was a lemon. So once I pull off the plenum and reconnect the fuel/infection system should I:
1) probe each wire at the injector for 12 volts?
2) disconnect the miniature inj connection and stick a noid light in each one?
3) pull out one injector at a time and have someone else crank the engine (with the distributor coil disconnected) to see if it's squirting fuel?
Any tech support would be greatly appreciated.
🔧😎✌
 

Last edited by tru_blu; 01-25-2020 at 05:11 PM. Reason: Update on diagnostics
  #4  
Old 01-28-2020, 07:30 PM
tru_blu's Avatar
New Member
Thread Starter
Join Date: Jan 2020
Posts: 6
tru_blu is on a distinguished road
Default P0200/P0300 update

First of all, thanks for the diagrams George. 👍
So I have no short to ground or open circuit from the MCSFI connector to the PCM and all injector wiring are pulling .4 ohms. There is signal to the injectors per the noid light test. And btw I do have the correct PCM on the truck (which I previously had doubts).
So now I'm pretty sure the problem is with the new spider upgrade. I'm just not totally sure how to go about doing a safe and foolproof test once the plenom is removed.
Note: I'm pretty much guessing that I probably crushed the injectors while reinstalling the plenum. 😒
Any suggestions?
 
  #5  
Old 01-28-2020, 10:04 PM
GeorgeLG's Avatar
Super Member
Join Date: Jan 2007
Location: Florida
Posts: 1,559
GeorgeLG is on a distinguished road
Default

You can do a cylinder balance test. A simple box provides a fixed pulse to each injector in turn and you measure the fuel pressure drop each time. If here are injectors that are not similar, something is wrong with the delivery on that injector/cylinder:


the next level up is looking at the injector electrical waveform and analyzing the inductive kick, pintle hump, etc with an oscilloscope but few people have that capability:

https://www.underhoodservice.com/fue...uit-waveforms/

The fuel pressure leakdown test will tell you if the spider or regulator are leaking


George
 
  #6  
Old 02-02-2020, 04:10 PM
tru_blu's Avatar
New Member
Thread Starter
Join Date: Jan 2020
Posts: 6
tru_blu is on a distinguished road
Default Found problem

Thanks for the info George. It was very helpful.
So after the test I found 3 injectors were unresponsive. So I removed the new spider and found all 3 injectors had their wires crushed and exposed between the spider bracket and the bottom of the spider.
While installing the spider I was only aware that the injector connectors were to be positioned inward and away from the edge of the intake as to not allow the plenum to bind and break the connectors during installation. But I wasn't aware that I also had to rotate the wires upward so that they would ride on top of the hose to avoid them from being crushed. I surely expected that there would've been some clearance but upon inspection of the brackets the original bracket was 1/8 inch taller than the new Chinese bracket that came with the spider upgrade. Sigh...
I'm sending a few pics. Maybe this tip can help someone else avoid this issue.



 
Related Topics
Thread
Thread Starter
Forum
Replies
Last Post
pinionunebun
Lighting & Electrical
19
12-06-2019 01:11 PM
WayneMurray1
Performance & Brainstorming
1
05-31-2012 11:29 AM
Hurricane D
2nd Generation S-series (1995-2005) Tech
9
12-29-2010 09:21 PM
vze4yrte
Performance & Brainstorming
3
06-09-2010 02:17 AM
piersbc
2nd Generation S-series (1995-2005) Tech
32
06-23-2009 10:20 PM



Quick Reply: P0200/p0300 Headache


Contact Us - Archive - Advertising - Cookie Policy - Privacy Statement - Terms of Service - Do Not Sell My Personal Information -

© 2021 MH Sub I, LLC dba Internet Brands