rear hatch window release button is a nogo
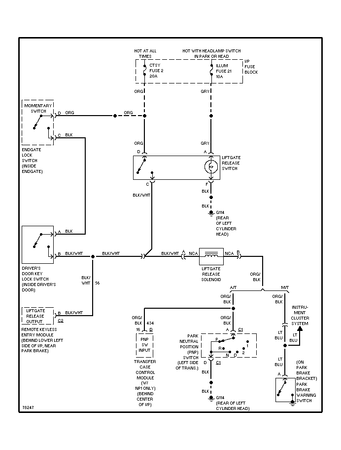
Can any of you guys tell me what circuit the button that pops the rear hatch window is on. I do not have a blown fuse. Is there a hidden relay or fuse somwhere else. I just had an engine put in the truck and when I got home the button no longer works. I have to crawl over the back seat and hit the emergency release. Its a real pain. My truck is a 96 , 4-door, 4x4, 4.3. I would appreciate any advise on this matter. Especially on troubleshooting.
Thanks !
Thanks !
The rear button is tied in somehow with the rest of the locks. I had the panel off on the passenger's door and the rear would not work. I'm not sure if all of them would not work since the rear was the only thing I needed to open until I figured it out(after I had it back together). Plugged it in and it works fine again. I suppose +12V is daisy chained or something. I would start by making sure all your lock switches work first.
But if you just got a new engine, I'm wondering if maybe the wires run down near the crossmember and they got piched. You could try looking around that area as well. I think I may have traced them down under into that area before I called it quits on trying to figure out why the hatch wouldn't pop.
But if you just got a new engine, I'm wondering if maybe the wires run down near the crossmember and they got piched. You could try looking around that area as well. I think I may have traced them down under into that area before I called it quits on trying to figure out why the hatch wouldn't pop.
Thread
Thread Starter
Forum
Replies
Last Post
blazen_red_4x4
Lighting & Electrical
32
Aug 2, 2020 03:18 PM
Wexinlo
1st Generation S-series (1983-1994) Tech
4
Jun 8, 2012 02:46 PM






