steering wheel controls... can i do it?
#1
Thread Starter
Join Date: Feb 2005
Location:
Posts: 3

hi there, i am considering adding the steering wheel radio controls to my '99 LT, is this possible? i think i heard somewhere that i need to replace the entire steering column, anyone know if there is any truth to this?
i know the radio is ready for it (it's the stock cd player), just want to see if there is a harness or something out there i can get to hook the stock controls up to the stock radio and if anyone has ever done this before.
i am looking to use all stock parts for this project, anyone have any ideas? thanks!
i know the radio is ready for it (it's the stock cd player), just want to see if there is a harness or something out there i can get to hook the stock controls up to the stock radio and if anyone has ever done this before.
i am looking to use all stock parts for this project, anyone have any ideas? thanks!
#2
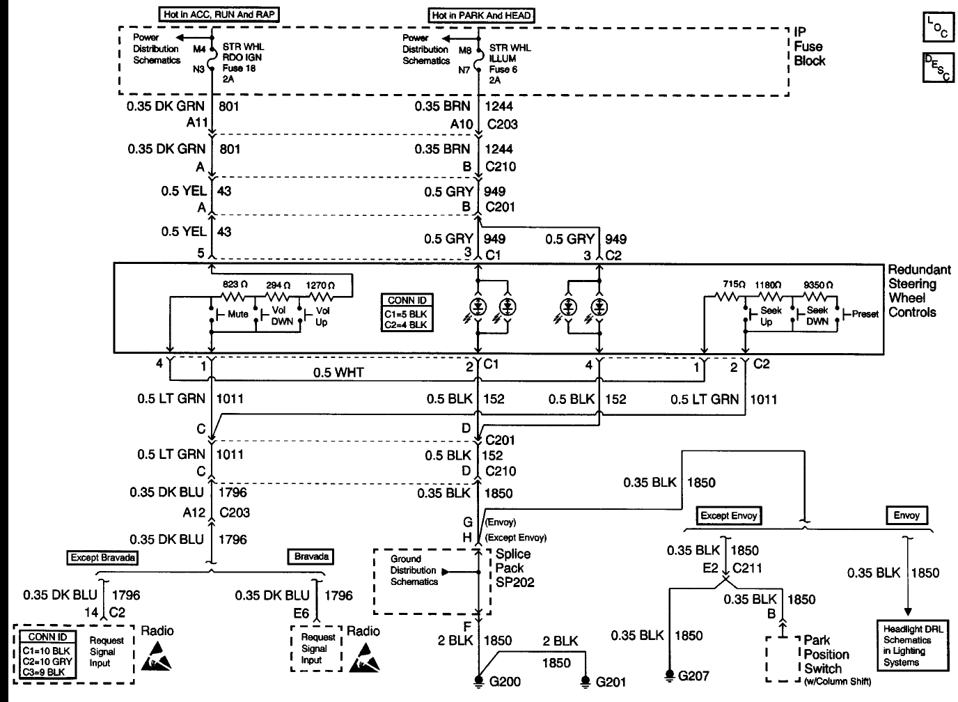
I'd love to have the controls as well. I haven't really looked into it much, but I do believe that you have to basically gut the steering column to add everything in. Here's a schematic I was able to dig up for my '00... Shouldn't be any different on your '99.

Click on image to enlarge

Click on image to enlarge
#3
Thread Starter
Join Date: Feb 2005
Location:
Posts: 3

thanks for the quick reply! i am not that good at reading schematics. i am pretty good at wiring stuff up though, if you can sorta translate that for me i would appreciate it. thanks a lot!
#4
Administrator
Join Date: Nov 2005
Location: Zanesville oHIo
Posts: 2,931

it can be done, but a real PITA. have done it a few times, never want to do it again.
#5
Pat, you must elaborate! LOL. I've got a full column at the local yard that I can pull to swap parts. I should even be able to grab harnesses as well. Running wires isn't a problem...
#6
Administrator
Join Date: Nov 2005
Location: Zanesville oHIo
Posts: 2,931

here, i will make it easy on you. yea, it costs a little, but you dont need anything new, and the only tools you need besides basic hand tools is a steering wheel puller.
Clicky
they do not list our 99 up trucks, but if you call them, they have it, just not on their website.
BTW, this is by far the easiest way to go.
Not totally sure if this would work with aftermarket radio, but you could ask them, if not, go to pac-audio and get the SWI-X. universal interface.
Clicky
they do not list our 99 up trucks, but if you call them, they have it, just not on their website.
BTW, this is by far the easiest way to go.
Not totally sure if this would work with aftermarket radio, but you could ask them, if not, go to pac-audio and get the SWI-X. universal interface.
Thread
Thread Starter
Forum
Replies
Last Post
ltown21
2nd Generation S-series (1995-2005) Tech
7
07-29-2007 02:21 AM








