2000 blazer hard to start
Gray to black
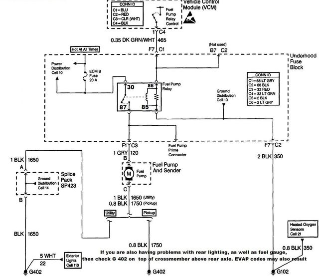
Sender is purple to blk/wh-strip
If you have the flat connector then the butt-splice may be bad in one or both. Why we suggest solder splice or twist on wire nuts filled with silicon or dielectric grease.
For you guys with the problems you would not believe how many GM vehicles have fuel pump issues like what you are experiencing. By the way Pontiacman, I would be seriously leery of a $20.00 fuel pump. That is unless it is fun for you to drop fuel tanks. They always seem to go bad with over a half of a tank of fuel in them. I have heard it mentioned on other threads that there is a ground connection by the fuel tank which can get corroded and effect fuel pump performance but requires the tank to be dropped. I have never personally seen or worked on one myself but if you have the tank down see that it has a clean and tight connection.
If the description doesnt say it's an actual Delphi, AC Delco, Walbro, Denso or Bosch, then it's probably the same chinese knockoff crap pump you get with an Airtex. I listed those in MY order of preference.
That's for future readers' reference; the poster says he's fixing it to sell. Ie pass it on to the next guy. I am not judging, just saying!
That's for future readers' reference; the poster says he's fixing it to sell. Ie pass it on to the next guy. I am not judging, just saying!
cool pettyfog, thanks for the info. yea i def want to check everything before i go and buy a pump. i looked on ebay and found some running for 60 bucks or so. safe to trust or should i just buy one at local part store? i mean the savings is amazing but i dont want to be doing this again in the near future..such a pain in the ***.
Yeah, I know it's cheap pump, but I just can't pop 300+ on something I'm just going to sell, for 20 bucks I'll give it a shot. I put an Airtex on a friends Blazer over a year ago and it's still going. I have a lift and a buddy to help. If it's no good the pressure gauge will tell me. If you do buy an Airtex make sure that you don't get the two black wires crossed, (that happened to me on my friends Blazer) it will run but will cause egr codes and fuel gauge problems (nasty stuff) Just make sure that the thicker black wire from the truck harness (ground)goes to the ground of the pump motor. My pump should be here Thursday or Friday and I'll report back.
If the pump works for you please post the Ebay sellers name and the auction number so others can acquire the same pump. I know that I would be game since I buy Blazers, Jimmy's and Bravada's with issues to repair and sell.
{Most of rant deleted - but saved- because of wrong context}
If you CLEARLY state 'I am using these cheap parts so I can sell it'.. that's alright with me. I dont even care if you dont disclose that to the buyer.. not my problem or my job!
I just do not think it serves a good purpose on a solutions thread.
If you CLEARLY state 'I am using these cheap parts so I can sell it'.. that's alright with me. I dont even care if you dont disclose that to the buyer.. not my problem or my job!
I just do not think it serves a good purpose on a solutions thread.
Last edited by pettyfog; Feb 29, 2012 at 11:35 AM.
ok, i got a little of time today to mess around with me truck 'fore i have to got o work. i tried voltage again at pump and the only reading i got was around 5 volts on the purple wire. is this right wire to be measuring at? im pretty sure i need 12v, right? any help is greatly appreciated. thanks.
You have to remember there are only two times which you will have voltage at the pump. 1 is when the key is initially turned on so that the system can build pressure. 2. when the engine is cranked and the crankshaft position sensor is triggered and makes a signal to the PCM. If you are turning the key on then crawling under the truck in hopes of finding voltage at the fuel pump plug then you will not. The only way around this is to put a jumper wire across the connections at the fuel pump relay so as to apply power with the relay removed. I do not know the pins which to jump and unless you are "sure" which ones they are do not attempt. I suppose the best way to accomplish what you are attempting is to hook up your multimeter and lay it on the ground where you can see it while you turn on the key.



