Please Hlep.. Alternator issue
I have a 84 K5 with a new alternator, battery, and starter, I replaced the batt cables and still no charging.. I have power to the back of the alternator and all the wires and fused links coming off the starter but when i put a screw driver it is not magnetized.. please help. i have been at this for 4 days now and still nothing. It has to be something stupid im just overlooking. Any advice will be greatly appreciated!
Have you had the altenater bench tested ? I have seen some out of box go bad before even starting up . Also check the 2 prong connector ,one side should be hot with the key off .Then trun the key on and both sides should be hot . If either side doesn't work then the alternater won't work .If they are hot then run a wire from the battery post on the alteranter to the positive cable on your battery and by pass the factory wiring .
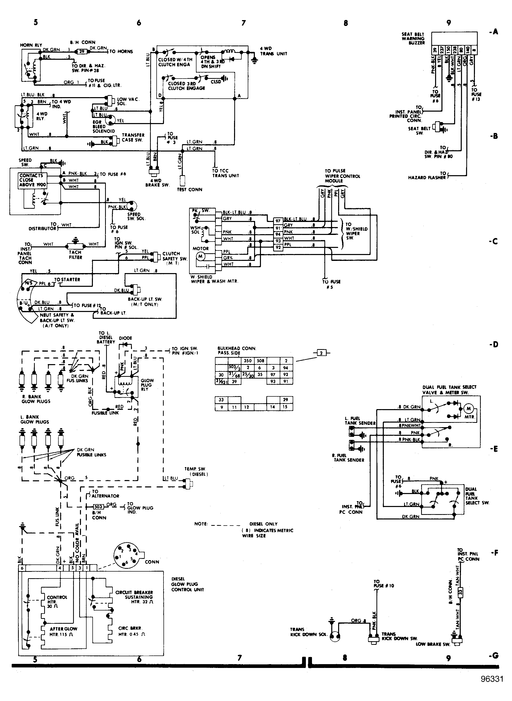
I'll have to look up the schematics for your application when I get a chance. I am trying to do too much through memory at the moment due to availability of my references.
*EDIT*- Found them. Have a look:
*EDIT*- Found them. Have a look:
So my problem is the wire on the right has no power.. on the right of the plug i have power all the time.. to the right i have no power even while running.. What does this wire do.. what does it run to and how can i just re wire it to where it goes.. i have tried to follow it but it is wrapped up with the main harness
also i was poking around the fuse box with a test light and i noticed there is a plug connected to the fuse box to spot marked batt.. the wire is orange and white and the port has no power.. there wasa an open port labled ign that switches power fine to the port but nothing is plugged in.. is something supposed to be there.. just let me know if a picture is needed.. ill do what i can
also i was poking around the fuse box with a test light and i noticed there is a plug connected to the fuse box to spot marked batt.. the wire is orange and white and the port has no power.. there wasa an open port labled ign that switches power fine to the port but nothing is plugged in.. is something supposed to be there.. just let me know if a picture is needed.. ill do what i can
Last edited by swartlkk; Nov 30, 2010 at 06:26 PM. Reason: *Combining Consecutive Posts* - Please use the edit function to add additional information in your post if another member has yet to respond.
The brown wire needs to be connected to a switched ignition source.
The ports on the fuse block are for accessories. I wouldn't worry too much about them, however the one marked 'batt' should have battery power all of the time.
The ports on the fuse block are for accessories. I wouldn't worry too much about them, however the one marked 'batt' should have battery power all of the time.
it doesnot.. ok so you are telling me if i take the plug that says ignition on the fuse box and hook up a wire to it and run it to the brown wire on the alternator it will work.. i jumped it with power from the batt this morning and that did not go so well




