3rd Brake Light(SOLVED)
#1
Starting Member
Thread Starter
Join Date: Dec 2008
Location: Darkside, AZ
Posts: 198

Just noticed tonight, my 3rd brake light does not light. So, I took it off, brought it inside, took it apart, noticed no corrosion or other possible causes of it not working. So I connected it to my power supply and just about blinded myself. Damn those LED's are bright outside of the plastic housing.
So, my question is, from the wiring connector on the roof of the Blazer, are there any modules I need to know about between that connector and the brake pedal switch. Or am I worrying too much about BCM's and should I just rip the brake pedal switch out and test that?
Or, is it something hopefully simple like in one of the tail light assemblies I should be looking?
So, my question is, from the wiring connector on the roof of the Blazer, are there any modules I need to know about between that connector and the brake pedal switch. Or am I worrying too much about BCM's and should I just rip the brake pedal switch out and test that?
Or, is it something hopefully simple like in one of the tail light assemblies I should be looking?
#2
#3
Starting Member
Thread Starter
Join Date: Dec 2008
Location: Darkside, AZ
Posts: 198

Thank you for the schematics Kyle. I'll get crackin at this later today after work.
#4
Starting Member
Thread Starter
Join Date: Dec 2008
Location: Darkside, AZ
Posts: 198

Ok, so far I swapped the relay with another identical relay in thefuse center in the engine bay. Still the same results. I disconnected at the 3rd brake light, connected my VOM and Ididn't get any readings. Right now, it's friggin cold outside fiddlin with wires and fuses.
#5
Starting Member
Thread Starter
Join Date: Dec 2008
Location: Darkside, AZ
Posts: 198

Okay
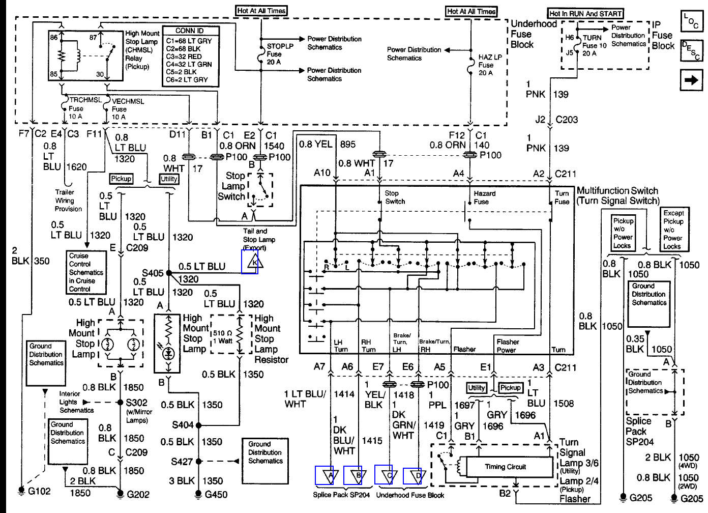
. This is a weird one. While sifting the S10 forum, about 3 or 4 members had the same issue. 1 guy actually found the problem. In the engine fuse bay, there are 2 fuse slots(TRCHMSL and VECHMSL). Both of these slots were EMPTY. I replaced the empty VECHMSL slot with a 10AMP fuse and it works fine now. Now they are all scratching their heads wondering why both of these slots are empty.
. This is a weird one. While sifting the S10 forum, about 3 or 4 members had the same issue. 1 guy actually found the problem. In the engine fuse bay, there are 2 fuse slots(TRCHMSL and VECHMSL). Both of these slots were EMPTY. I replaced the empty VECHMSL slot with a 10AMP fuse and it works fine now. Now they are all scratching their heads wondering why both of these slots are empty.
#6
Well, if you look at the schematic, both of those fuses are shown (under the relay schematic)... TRCHMSL is for the trailer wiring and VECHMSL is for the vehicle center high mounted stop lamp. I did not have a lot of time last night to type up a reply and get the schematic so I chose to get the schematic up for you.
Thread
Thread Starter
Forum
Replies
Last Post
dano440
Lighting & Electrical
1
05-11-2012 06:57 PM
steveshane67
2nd Generation S-series (1995-2005) Tech
1
01-28-2010 05:06 PM









