How many wires into alternator?
#1
New Member
Thread Starter
Join Date: Jul 2009
Location: Wausau, WI
Posts: 5

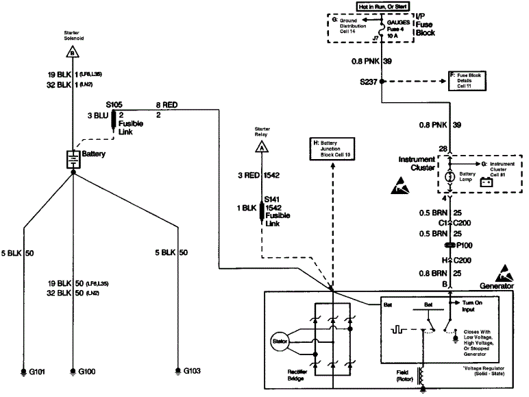
OK, so on Dec 28th I replaced the alternator because anytime it would rev above 2500 the volts would drop down to 9. This fixed the issue, however, last night it dropped down to 9 and stayed there for 1/2 hour drive home. Of course, after a while the battery light came on. When I first start it, it runs at just a hair above 14 volts, but after 5 minutes of idleing or starting to drive it drops back down to 9 and doesn't return. I took the alternator and battery in and they tested good.
Now, when putting in the new one I noticed there are two wires on the positive post of the alternator. I would think that there should only be one that goes to the battery, correct? Also, the plugin for the voltage regulator only has 1 wire in it. Is that correct?
Thanks, otherwise any other ideas what could be cause this?
Now, when putting in the new one I noticed there are two wires on the positive post of the alternator. I would think that there should only be one that goes to the battery, correct? Also, the plugin for the voltage regulator only has 1 wire in it. Is that correct?
Thanks, otherwise any other ideas what could be cause this?
#3
Thread
Thread Starter
Forum
Replies
Last Post
rogggg1020
1st Generation S-series (1983-1994) Tech
8
09-24-2008 06:53 AM









