Ignition switch question?
I have read Swartlkk's ignition switch article and hopefully he and/or others will chime in here.
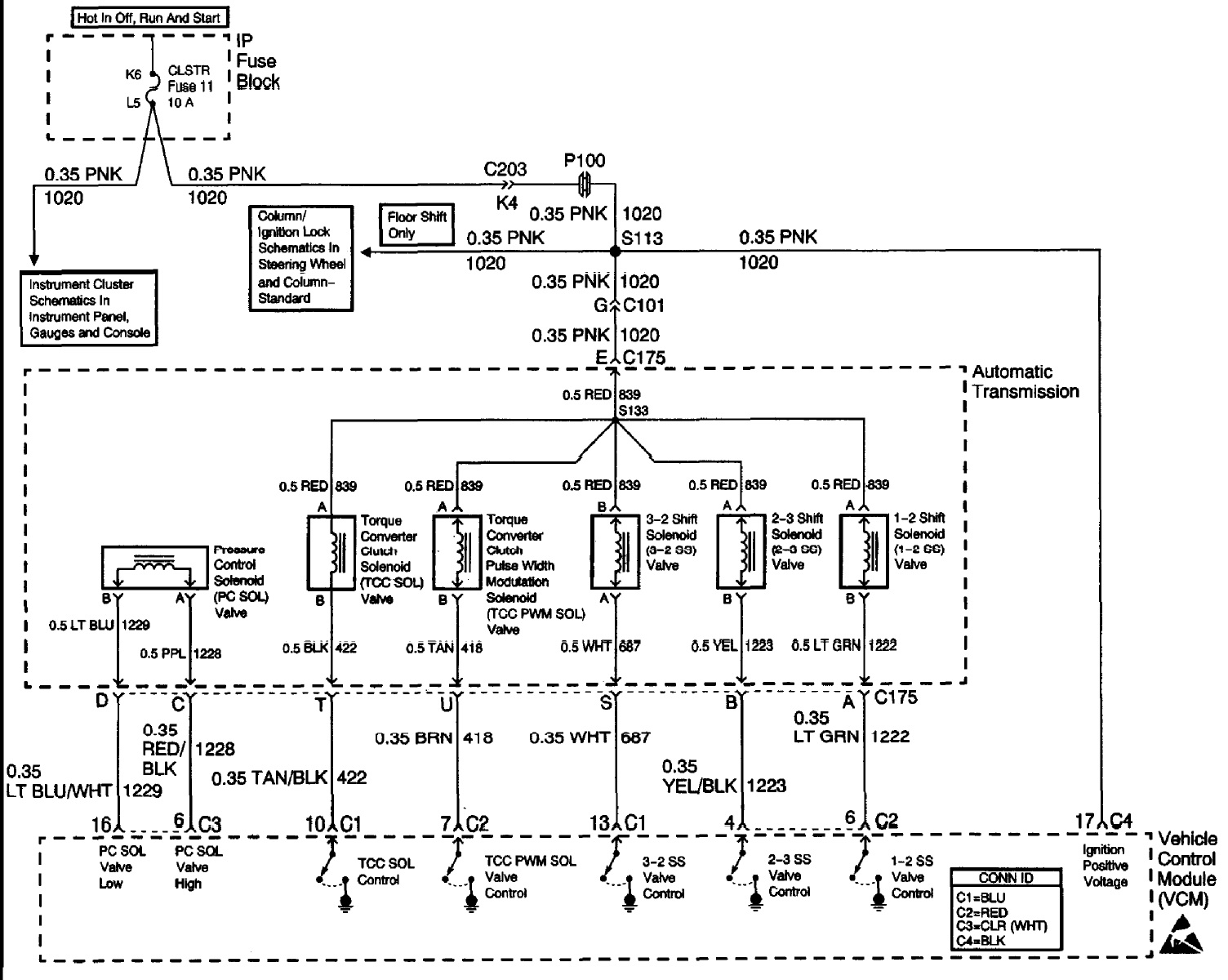
I am still searching for an intermittent open in circuit 1020 or perhaps circuit 1390 that's randomly and temporarily putting my transmission into limp mode. Five codes are stored whenever the fault condition occurs... p0740, 0753, 0758, 0785, 1860. These 5 codes are often associated with a faulty ignition switch causing a loss of power to cluster fuse 11.
The relevant schematics are shown below...


I had previously ruled out a bad ignition switch because my instrument panel continues to function normally when the fault condition occurs. I'm now wondering if this may not in fact be true?
After reading Swartlkk's article, I'm wondering if a very brief momentary loss of voltage could occur in the ignition switch's IGN 0 contactor that would be sufficient to put the transmission in limp mode but not sufficient to cause a loss of the instruments; or perhaps so brief that I just don't notice any non-functioning instruments
Has anyone ever seen a bad ignition switch causing the five code tranny limp mode problem without killing the instrument panel too???
BT
Sent from my iPad
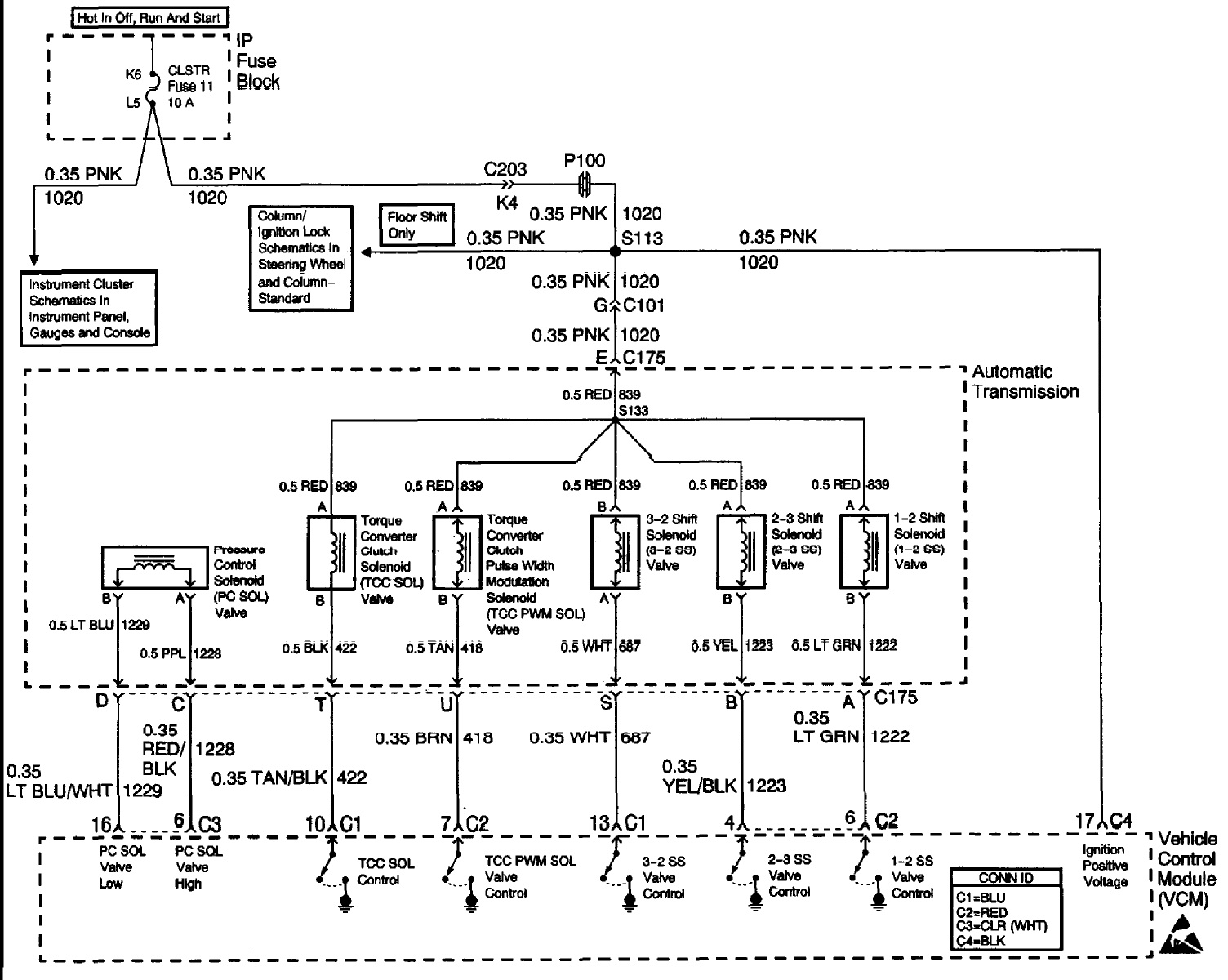
I am still searching for an intermittent open in circuit 1020 or perhaps circuit 1390 that's randomly and temporarily putting my transmission into limp mode. Five codes are stored whenever the fault condition occurs... p0740, 0753, 0758, 0785, 1860. These 5 codes are often associated with a faulty ignition switch causing a loss of power to cluster fuse 11.
The relevant schematics are shown below...


I had previously ruled out a bad ignition switch because my instrument panel continues to function normally when the fault condition occurs. I'm now wondering if this may not in fact be true?
After reading Swartlkk's article, I'm wondering if a very brief momentary loss of voltage could occur in the ignition switch's IGN 0 contactor that would be sufficient to put the transmission in limp mode but not sufficient to cause a loss of the instruments; or perhaps so brief that I just don't notice any non-functioning instruments
Has anyone ever seen a bad ignition switch causing the five code tranny limp mode problem without killing the instrument panel too???
BT
Sent from my iPad
With all the blazer knowledge and experience around here, I'm surprised no one has offered up any info or even a well reasoned opinion.
I'm going to go ahead and try replacing the ignition switch and see if that solves my ongoing problem as so far nothing else has helped. By the time I'm done I may be able to answer some of your questions!
BT
I'm going to go ahead and try replacing the ignition switch and see if that solves my ongoing problem as so far nothing else has helped. By the time I'm done I may be able to answer some of your questions!
BT
I replaced my ignition switch a couple months back. For similar problems as you described, transmission going in to limp mode.
My dash worked fine when ever my transmission problems would flair up. So I would say that that it is very possible for the gauges to work normally while the transmission goes into limp mode.
FTR - After I replaced the ignition switch, I haven't had a problem with my Blazer since.
My dash worked fine when ever my transmission problems would flair up. So I would say that that it is very possible for the gauges to work normally while the transmission goes into limp mode.
FTR - After I replaced the ignition switch, I haven't had a problem with my Blazer since.
Thanks a lot for your reply Grandpa! I'm just now buttoning things up after installing a new ignition switch. Solving this problem has been an ongoing PIA for a long time.
I appreciate your reply and do hope my results are the same as yours! BT
I appreciate your reply and do hope my results are the same as yours! BT
Well... There's no joy in Mudville tonight! Installed the new ignition switch and took the Blazer for a test drive. The first ride went fine with the transmission shifting normally and I came home smiling. On the next trip however, just a few minutes later, the SES light came back on and the transmission went into limp mode. Same five codes showed up on my scan tool, P0740, 0753, 0758, 0785, 1860. ARGHHH!!!
The only difference this time around, is that the freeze frame data showed 0740 whereas in the past the freeze frame data always showed 0758. I'd like to know more about how freeze frame data is stored and will post on that in another thread.
So the bottom line is, I am back to square one again! BT
The only difference this time around, is that the freeze frame data showed 0740 whereas in the past the freeze frame data always showed 0758. I'd like to know more about how freeze frame data is stored and will post on that in another thread.
So the bottom line is, I am back to square one again! BT
Thread
Thread Starter
Forum
Replies
Last Post
Brian5792
2nd Generation S-series (1995-2005) Tech
6
Oct 24, 2018 11:34 AM
vaportrail
2nd Generation S-series (1995-2005) Tech
3
Feb 5, 2011 09:17 AM





