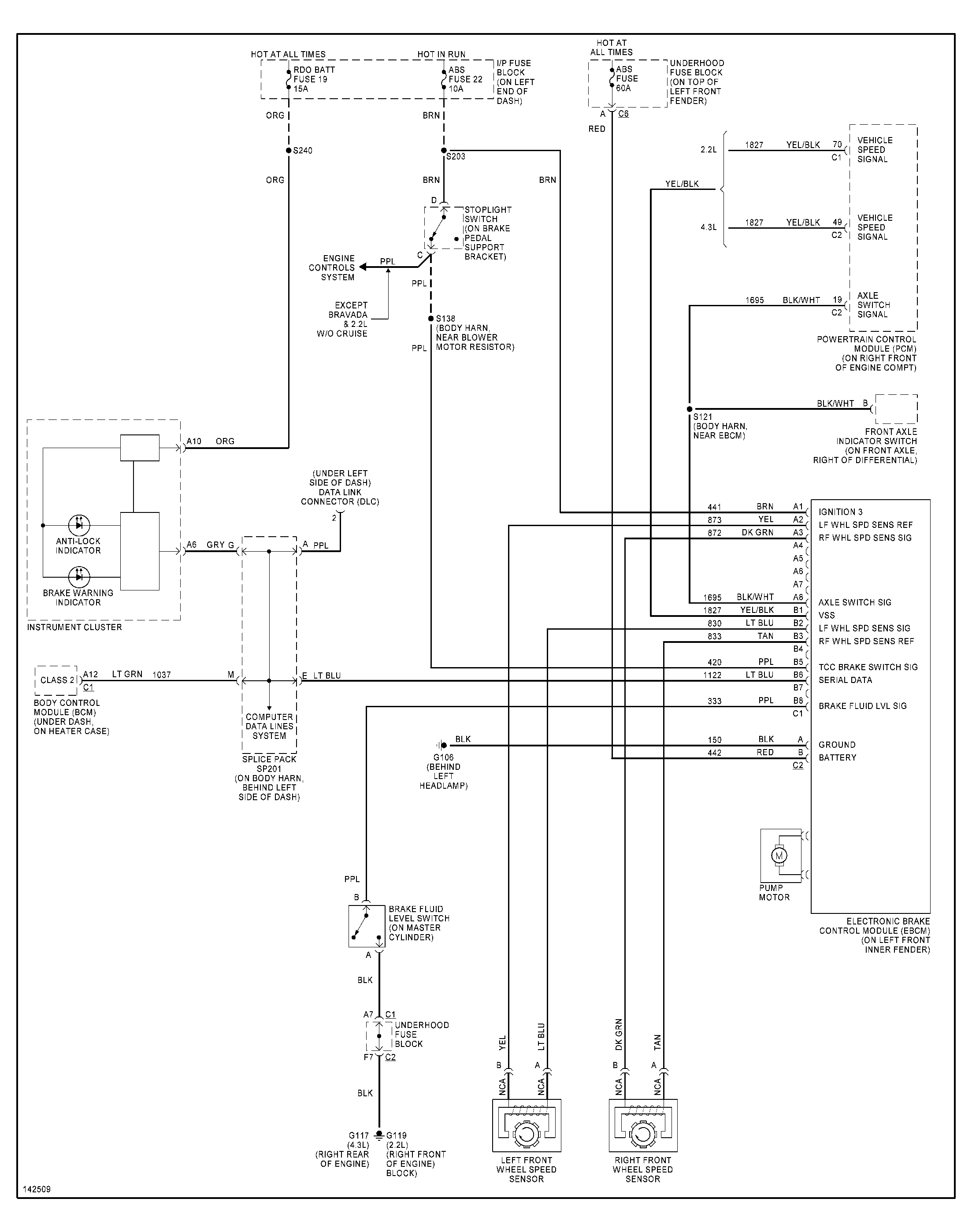
Speend Sensor.
Thread
Thread Starter
Forum
Replies
Last Post
joey
2nd Generation S-series (1995-2005) Tech
4
Aug 27, 2012 06:33 PM
GM hater
2nd Generation S-series (1995-2005) Tech
7
Jan 9, 2010 02:32 PM
theeviltwinn
2nd Generation S-series (1995-2005) Tech
2
Oct 23, 2009 06:37 AM
daniel010
Engine & Transmission
8
Feb 2, 2009 06:50 AM
Spartan66
2nd Generation S-series (1995-2005) Tech
6
Jul 11, 2008 02:34 PM





