How to: Blower Motor & Resistor - DISCUSSION THREAD
I did, and can't figure out a good reason for it to have to be cut off and glued back in place. If they're going to make it that irritating and dumb to do, perhaps it doesn't actually need to be in place. Older vehicles didn't have a cover...
I cut the blower motor cover off but it was darn cold and it broke in pieces. I didn't think you'd have to put the cover back on either but at -30C, let me mtell you, cold air will get in the cab from that opening and if you're driving your wife, she sure is gonna let you know !
I have a 98 Blazer LT, 4 door, 2 wheel drive. My blower motor was making a loud humming noise, which got louder the higher the fan speed. While doing a flush 'n fill last night, it completely quit working. I checked the HVAC fuse under hood (it's good) and I started to check out the resistor. To my surprise it is not where it is in these pictures! The "cut here for service" place is there, but there is not anything installed there, nor are there any wires in the vicinity. Anyone have any suggestions?
Check out this topic and the diagram showing you where your resistor probably is (click on the following line):
I have a 97 Blazer that the blower motor is not working. So - JustAnswer
I have a 97 Blazer that the blower motor is not working. So - JustAnswer
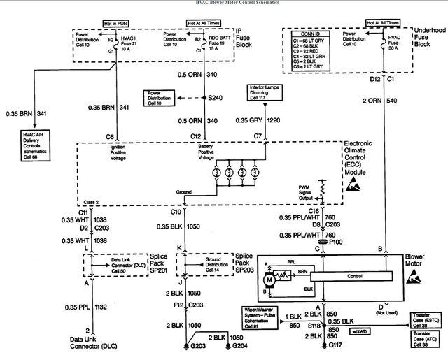
At the risk of sounding ignorant, I have a few questions. Other than the HVAC fuses, are there any actual RELAYS for the blower motor? Is the ECC (electronic climate control module) just the unit in the dash with the switches, or is it a separate thing? My dash vents seem to have HOT air flowing from them at all times even though the blower is not even working. The blower motor made a loud humming noise for a few days, then it quit. I kinda wiggled the wires around and tapped on the blower motor and it tried to kick on for a second. I know the blower motor needs replaced because when it did work it was loud, I just do not want to unnecessarily replace anything, or not replace something that does need replacing!!!!! How do I test the blower motor to make sure it is getting the correct voltage? I do have a digital volt meter. Thanks everyone for all your help!!!!
Thread
Thread Starter
Forum
Replies
Last Post
EnyChevyUK
Full Size K5 (1969-1991) GMT415 (1992-1994) Tech
12
Aug 25, 2009 07:24 PM
shadetreeranger
TrailBlazer GMT360/GMT370 (2002-2009) Tech
2
Apr 15, 2008 10:00 PM
blazer_girl
2nd Generation S-series (1995-2005) Tech
7
Jul 21, 2007 07:08 PM






