o2 sensor problems
#11
Beginning Member
Thread Starter
Join Date: Aug 2011
Location: Michigan
Posts: 23

I saw where it was uploaded before but the link was broken. It was in fileshare or similiar. i get a small unreadable picture. I click the link and there is nothing there just white screen
#14
Beginning Member
Thread Starter
Join Date: Aug 2011
Location: Michigan
Posts: 23

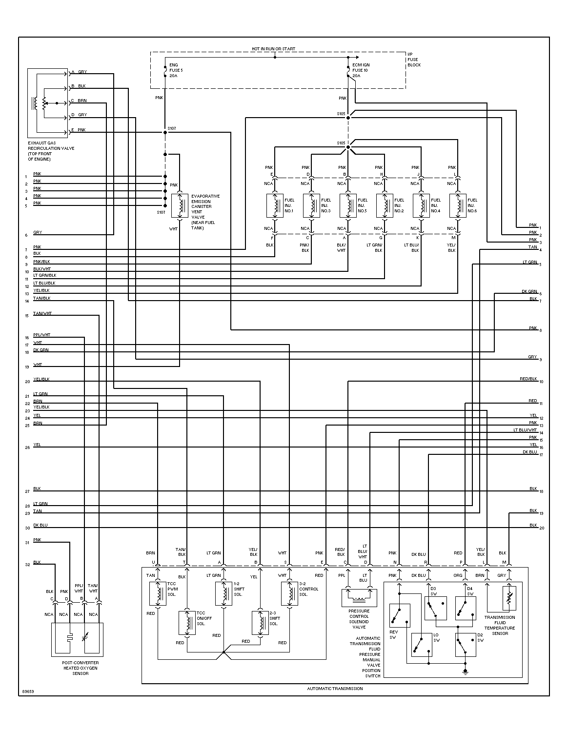
Alright guys so I checked the schematics on my 98 and it appears to me the 97 schematics are different. On the 97 wiring there appears to be a eng 1 fuse in the i/p fuse box and theses are fuse 5 and fuse 10 on the 97. 5 on mine is illumination 10 is not ecm. so this is deffinately different. Back to the drawing board but thanks for the help.
#16
Beginning Member
Thread Starter
Join Date: Aug 2011
Location: Michigan
Posts: 23

Yeah! There are some definite changes there. i finally found a 98 wiring diagram for the o2s on my 98. although it didn't show b1s3, I assume it would be on the same circuit as all of the other o2s. It appears the one that says oxygen under the hood. but it is not blown. must be in the wiring or a bad o2 sensor.
#18
don't get to excited yet.. you said it flickered before it went out.. that isn't a good sign at all. Your problem is not fixed yet.. and a new problem might be occurring without you realizing it. You might want to check into a flickering ses light.. thats almost as bad as a flashing ses light or so i heard.
Well from various research on google, i have discovered for you that it can be a problem with your wiring behind the dash to the light that caused it to flicker then go out.. possible bulb burned out or the wiring is screwed. The flashing means there is a serious misfire that needs to be addressed right now.
What your light could of been doing was trying to flash but burned out which caused it to flicker before going dark. When you turn the key on, engine off, does it turn on solid like it is supposed to? If it does then the wiring could be a culprit of the flickering. It could of wiggled loose or something behind the dash. If it does not then the bulb burned out and you have one more (simple) problem to address.
"The most common cause of a blinking/flickering Service Engine Soon light is that your vehicle's ignition system is misfiring. Spark plugs are only part of your ignition system. Depending on your year, make, and model - you could also have spark plug wires, distributor cap, rotor button, ignition coil(s), etc. Your vehicle can also misfire due to other reasons like a malfunctioning fuel injector(s), intake leaks, bad mass air flow sensor, etc."
found that by searching flickering SES light in google.
Well from various research on google, i have discovered for you that it can be a problem with your wiring behind the dash to the light that caused it to flicker then go out.. possible bulb burned out or the wiring is screwed. The flashing means there is a serious misfire that needs to be addressed right now.
What your light could of been doing was trying to flash but burned out which caused it to flicker before going dark. When you turn the key on, engine off, does it turn on solid like it is supposed to? If it does then the wiring could be a culprit of the flickering. It could of wiggled loose or something behind the dash. If it does not then the bulb burned out and you have one more (simple) problem to address.
"The most common cause of a blinking/flickering Service Engine Soon light is that your vehicle's ignition system is misfiring. Spark plugs are only part of your ignition system. Depending on your year, make, and model - you could also have spark plug wires, distributor cap, rotor button, ignition coil(s), etc. Your vehicle can also misfire due to other reasons like a malfunctioning fuel injector(s), intake leaks, bad mass air flow sensor, etc."
found that by searching flickering SES light in google.
Last edited by Senshi09; 09-11-2011 at 03:22 PM.
Thread
Thread Starter
Forum
Replies
Last Post
joey
2nd Generation S-series (1995-2005) Tech
4
08-27-2012 06:33 PM
GM hater
2nd Generation S-series (1995-2005) Tech
7
01-09-2010 02:32 PM
theeviltwinn
2nd Generation S-series (1995-2005) Tech
2
10-23-2009 06:37 AM
daniel010
Engine & Transmission
8
02-02-2009 06:50 AM
Spartan66
2nd Generation S-series (1995-2005) Tech
6
07-11-2008 02:34 PM







