Intermittent Electrical
I have an 1986 K5 with 6.2 diesel with an intermittent problem. Usually starts right up no problem but sometimes when I turn the key all gauges are dead and will not crank. If I keep cycling the key and mess with the door locks all the sudden everything lights up and it fires right up again. Is there a module or relay that I need to look for or is it a bad ignition switch. Are there any loose connections that I should be looking for. Thanks for your help.
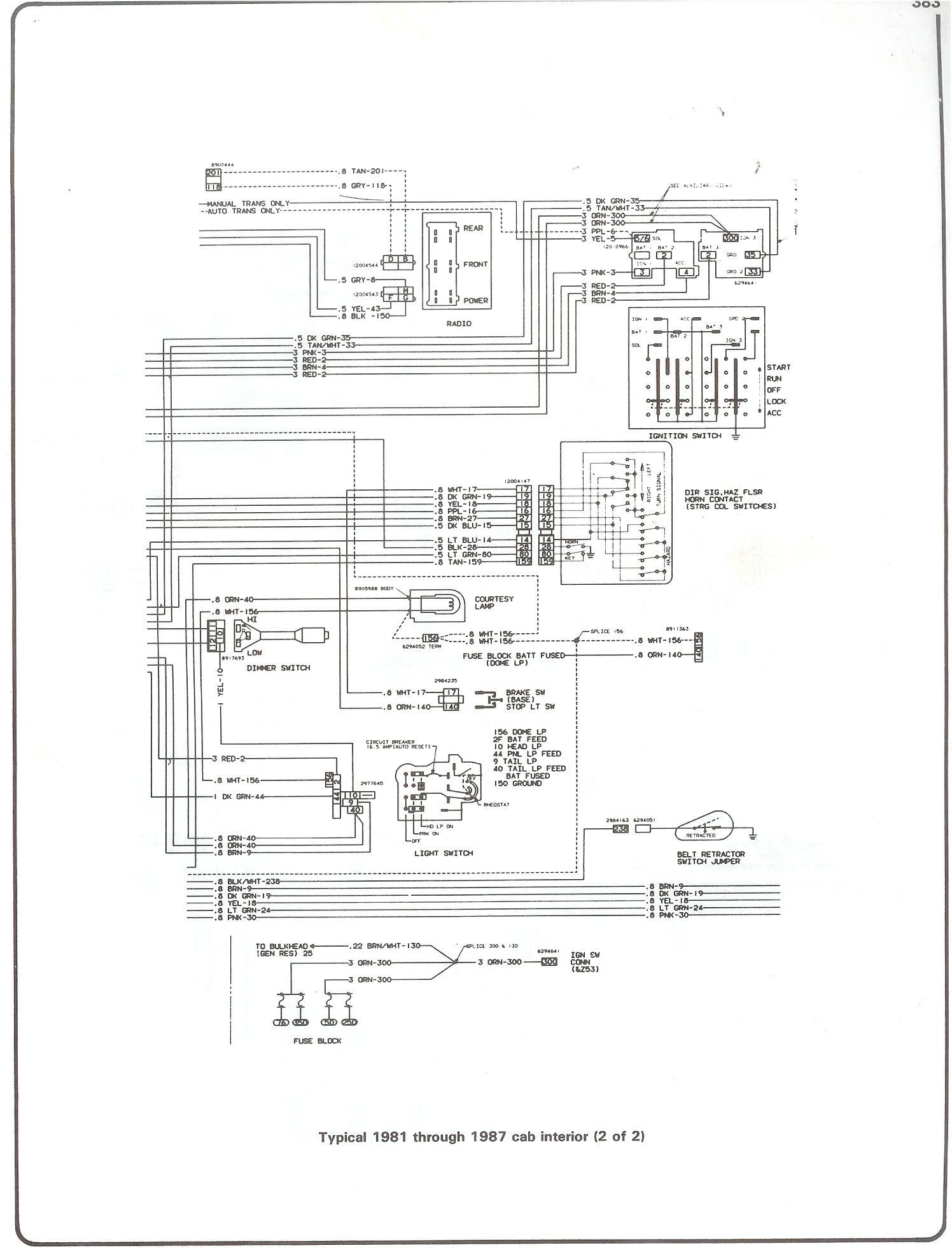
One approach would be to probe the output wires from the ignition switch to se what you get when in run or start and the truck is misbehaving and go from there. I think I have some K5 wiring diagrams somewhere if you want to go that route
George
George
George
Thread
Thread Starter
Forum
Replies
Last Post
Aaron121782
Lighting & Electrical
9
May 30, 2012 08:07 PM




