Turn Signal Issues
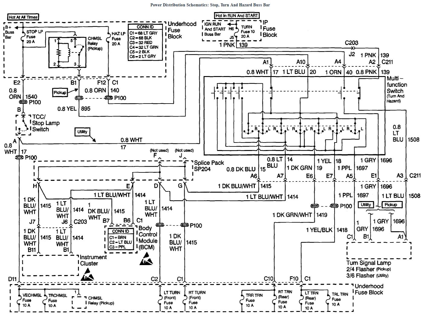
I recently bought a 98 Blazer and am having an issue with the left turn signal. The back blinks fast but the 2 front signal dont blink at all. All the bulbs except the headlights are new. Nothing has fixed the problem. Could anyone help me figure this out
So yes.. if not fuses, lamp sockets.
Thread
Thread Starter
Forum
Replies
Last Post
SubbinBlazer
Lighting & Electrical
2
May 24, 2013 12:56 PM
ta3ff
Full Size K5 (1969-1991) GMT415 (1992-1994) Tech
4
Oct 14, 2009 05:07 PM
jmills
1st Generation S-series (1983-1994) Tech
2
Apr 16, 2008 08:47 PM
shaka1111
1st Generation S-series (1983-1994) Tech
1
Feb 13, 2006 02:23 PM





