replaced engine now wont start?
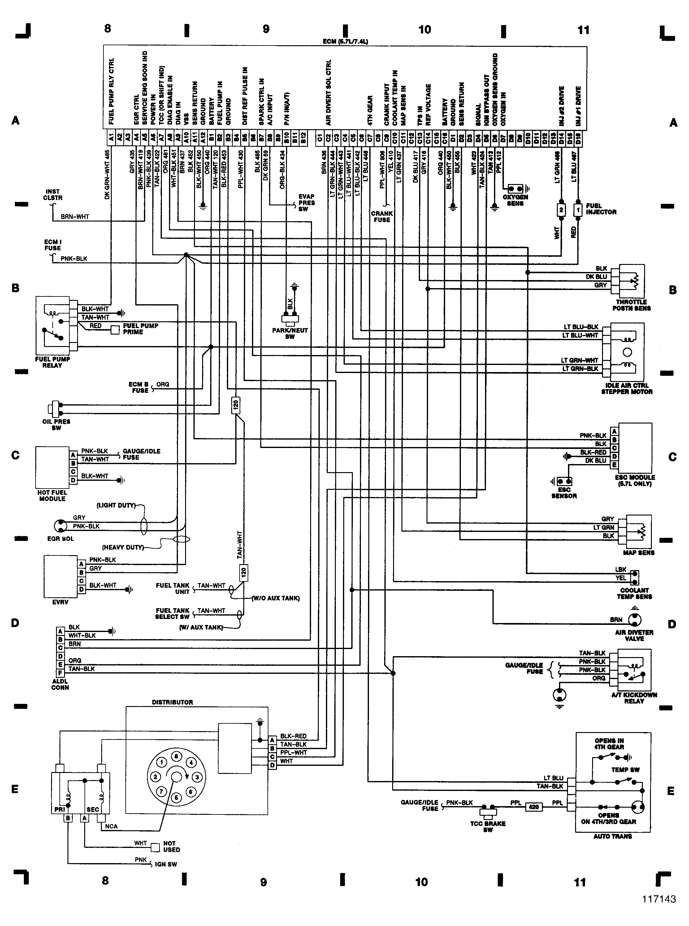
ok i replaced my engine and got it wired up filled it up with fuel and went to start it turned over just fine but no fuel it will start and run on starting fluid if you put enough in but as soon as you stop it dies i got the o2 sensor in the collector of the header and i dont hear the fuel pump running does anyone know or have this happen to them any help please
i put power to the purge wire and the fuel pump will run tried to start it nothing got noid lights and got no power to the injectors traced them back go into the cab didnt mess with anything in cab so shouldnt have a problem with them inside the cab check the fuses none were blown truck will start and run on starting fluid so its got spark and the timing good i even undid the brown wire with black tracer so the timing wasnt advanced got no idea where to look now dont really have the money to pay a mechanic to look at it and tell me its something stupid was running fine before the engine locked up now i have know idea
Thread
Thread Starter
Forum
Replies
Last Post
north40s
2nd Generation S-series (1995-2005) Tech
4
Oct 19, 2011 05:00 PM
reddheadnla
1st Generation S-series (1983-1994) Tech
26
Jul 15, 2011 06:49 PM
jasonscottclack
2nd Generation S-series (1995-2005) Tech
6
May 28, 2011 09:47 AM
wallace
1st Generation S-series (1983-1994) Tech
8
Feb 15, 2011 09:45 AM
broke33
Engine & Transmission
7
May 1, 2007 10:45 PM






