Lighting & Electrical Post your lighting and chassis/engine electrical questions here. Any audio/video questions should be posted in the 'Audio/Video Electronics' section.

Scanner won't link to computer

Thread Tools
 
Search this Thread
 
Old Nov 20, 2021 | 04:10 PM
  #21  
DonL's Avatar
BF Veteran
Joined: Nov 2016
Posts: 3,989
From: Ontario canada
DonL will become famous soon enough
Default

Does this help? Cell phone view...


Hope i dont have to draw a picture of a finger....
 
Old Nov 21, 2021 | 06:28 AM
  #22  
Phil Manwarren's Avatar
Beginning Member
Joined: Feb 2015
Posts: 39
Phil Manwarren is on a distinguished road
Default

ok how do I check each one and is there something I can make it looks like one connection and to a bunch of other connections is that rite ? what I mean is can I make a wire that does that or is that hard to do ?
 
Old Nov 21, 2021 | 09:59 AM
  #23  
GeorgeLG's Avatar
BF Veteran
Joined: Jan 2007
Posts: 4,635
From: Florida
GeorgeLG will become famous soon enoughGeorgeLG will become famous soon enough
Default

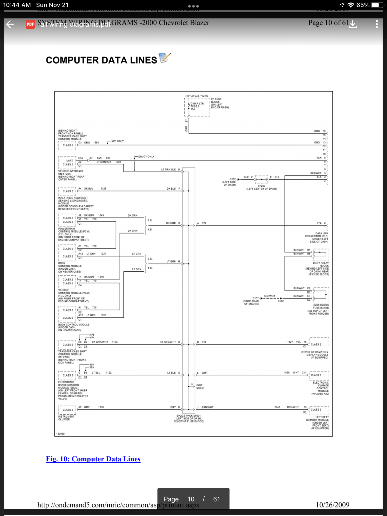
All of the class 2 serial data lines from all of the modules and the DLC are tied together in a star configuration at splice pack 201 under the dash near the IP fuse panel. I believe that your truck will have a comb insert that ties them all together. You remove the comb and add each module back until the data buss fails. Then you figure out if it’s the power or ground to that module, it’s wiring or connectors or a corrupted data wire that is shorted to power or ground - or the module itself. It sounds like you already know that the tccm is hosed so you can start there if the more complete process is an issue. Here are pictures of your data line schematic (if I remember correctly and this is a 2000), what the splice pack and comb probably look like as well as a professional jumper wire set. You can either buy one of those or fashion your own. If you have an o scope then diagnostics is even easier. I included a screen capture of clean serial buss data. If you don’t have a scope then a scanner that is still displaying live data is not foolproof but a reasonable indicator of a clean data buss. In this case you would have to star the v/e/pcm and dlc together first then start adding or subtracting modules.














George
 

Last edited by GeorgeLG; Nov 21, 2021 at 10:16 AM.
Old Nov 21, 2021 | 10:34 AM
  #24  
GeorgeLG's Avatar
BF Veteran
Joined: Jan 2007
Posts: 4,635
From: Florida
GeorgeLG will become famous soon enoughGeorgeLG will become famous soon enough
Default

Here is the test lead kit for the class 2 data splice pack I showed in case diy jumpers are not your thing:

https://www.aeswave.com/uIsolate-Net...tor-p9669.html







George
 

Last edited by GeorgeLG; Nov 21, 2021 at 10:37 AM.
Old Dec 30, 2021 | 11:03 AM
  #25  
Krupek's Avatar
New Member
Joined: Dec 2021
Posts: 5
From: Poland
Krupek is on a distinguished road
Default Vcm connector diagram chevrolet blazer 1999

[QUOTE=GeorgeLG;738515]Here is the test lead kit for the class 2 data splice pack I showed in case diy jumpers are not your thing:

https://www.aeswave.com/uIsolate-Net...tor-p9669.html







George[/QUOTE

Hello,I need a wiring diagram for VCM plugs for Chevrolet Blazer 1999 VIN 1GNDT13W1XK124511

thank you very much for all the help
 
Old Dec 30, 2021 | 11:16 AM
  #26  
GeorgeLG's Avatar
BF Veteran
Joined: Jan 2007
Posts: 4,635
From: Florida
GeorgeLG will become famous soon enoughGeorgeLG will become famous soon enough
Default

[QUOTE=Krupek;739248]
Originally Posted by GeorgeLG
Here is the test lead kit for the class 2 data splice pack I showed in case diy jumpers are not your thing:

https://www.aeswave.com/uIsolate-Net...tor-p9669.html







George[/QUOTE

Hello,I need a wiring diagram for VCM plugs for Chevrolet Blazer 1999 VIN 1GNDT13W1XK124511

thank you very much for all the help

When you have an unrelated question from the subject of the thread you need to start your own thread or else the questions and answers get mixed up and turn the thread into a mess. A classic thread hijack. Post a new thread for your problem and I’ll post the wiring diagrams that you need and be glad to answer any questions that you have.


George

 
Related Topics
Thread
Thread Starter
Forum
Replies
Last Post
hoebob69
Lighting & Electrical
0
Feb 25, 2017 05:35 PM
Phil T. Chambliss
General Chat
4
Oct 1, 2016 11:24 AM
Blazer_LT
2nd Generation S-series (1995-2005) Tech
5
Nov 6, 2011 06:03 PM
azembdriver
2nd Generation S-series (1995-2005) Tech
3
Jul 28, 2009 07:19 AM
blazingsadle
General Tech Help
2
May 8, 2006 08:38 PM




All times are GMT -5. The time now is 02:33 PM.