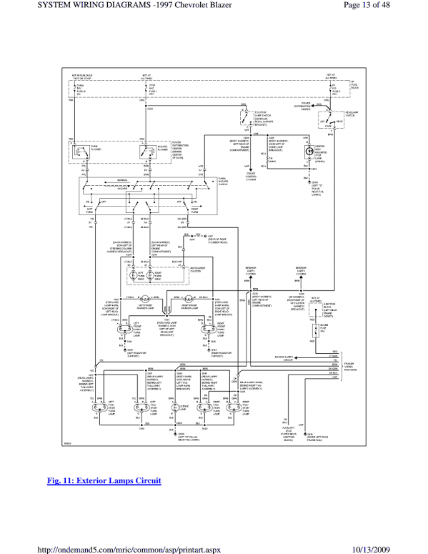
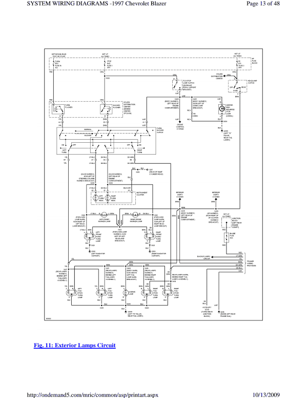
signal light issues
Hi all, new here and totally lost as to what is going on with my blazer.
I have a 97 Chevy blazer LS with composite headlights. Will list things going on with it .
-when head lights are on signal lights/hazard light indicator on instrument panel is solid and stays on
-signal lights are solid and do not flash
-front signal lights do not come on when headlights are on but come on when headlights are off but do not flash
-signal lights do not click when turned or flash on but indicator does brighten but stays solid.
The hazard lights do flash when they are on and when headlights are on.
I have bought new bulbs. I am also wondering if it is possible that the flasher relay or a fuse have gone as well.
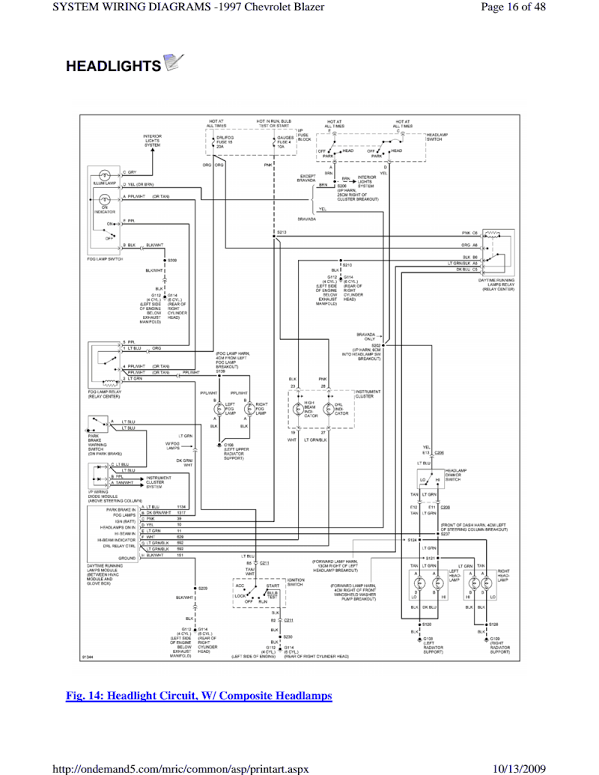
The other problem I`m having is how the heck do I remove the headlight to replace the signal bulbs.
I have a 97 Chevy blazer LS with composite headlights. Will list things going on with it .
-when head lights are on signal lights/hazard light indicator on instrument panel is solid and stays on
-signal lights are solid and do not flash
-front signal lights do not come on when headlights are on but come on when headlights are off but do not flash
-signal lights do not click when turned or flash on but indicator does brighten but stays solid.
The hazard lights do flash when they are on and when headlights are on.
I have bought new bulbs. I am also wondering if it is possible that the flasher relay or a fuse have gone as well.
The other problem I`m having is how the heck do I remove the headlight to replace the signal bulbs.
Thread
Thread Starter
Forum
Replies
Last Post
csboged
2nd Generation S-series (1995-2005) Tech
3
Aug 8, 2010 08:17 AM
jmills
1st Generation S-series (1983-1994) Tech
2
Apr 16, 2008 08:47 PM





